Вимикач маси (кнопка пускова) ГАЗ, КАМАЗ, МАЗ, КРАЗ, ПАЗ, УРАЛ (24В)
Товару немає в наявності.
- Виробник
- АВТО-СОЮЗ 88
- Каталожний номер
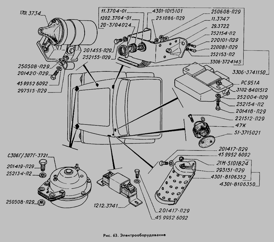
- 11.3704-01
- Схеми
- дивитися →
Вимикач кнопковий маси на 24В, на 3 контакти.
Застосування
- Товар підходить до марок/моделей авто:
- - Грузовые авто: ГАЗ, КамАЗ, КрАЗ, МАЗ
- Товарна група:
- - Електрообладнання Електрообладнання
Разом купують:
200 ₴
склад
- Артикул:
- 5320-3709200
- Дорожня карта
1 080 ₴
склад
- Артикул:
- 342.3711010 -03
- Дорожня карта
880 ₴
в наявності
- Артикул:
- 5320-3737010-10
- Дорожня карта
635 ₴
в наявності
- Артикул:
- 5320-3721500-34
- Дорожня карта
185 ₴
в наявності
- Артикул:
- 5320-1602590
- S.I.L.A.
Застосовність за схемами
Показати ще схеми ↓
Каталог запчастин для автомобілів, до яких застосовується ця деталь
