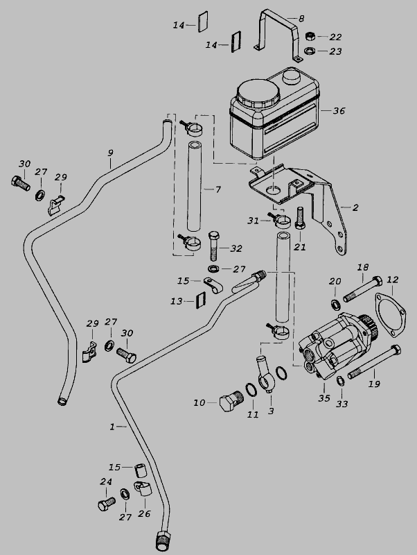
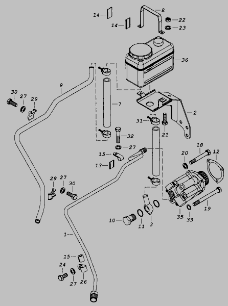
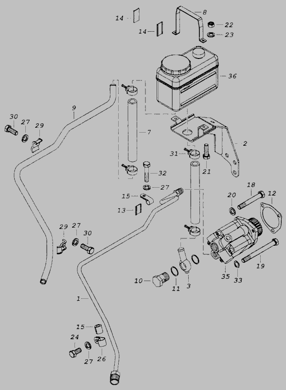
Трубка високого тиску КАМАЗ <ЄВРО-2> насоса ГУР у зб. (пр-во КамАЗ)
Товару немає в наявності.
- Виробник
- КамАЗ, Набережные Челны
- Каталожний номер
- 740.20-3407110-10
- Схеми
- дивитися →
Застосування
- Товар підходить до марок/моделей авто:
- - Грузовые авто: КамАЗ
- Товарна група:
- - Кермо, гальма Рульове управління
Застосовність за схемами
Каталог запчастин для автомобілів, до яких застосовується ця деталь
