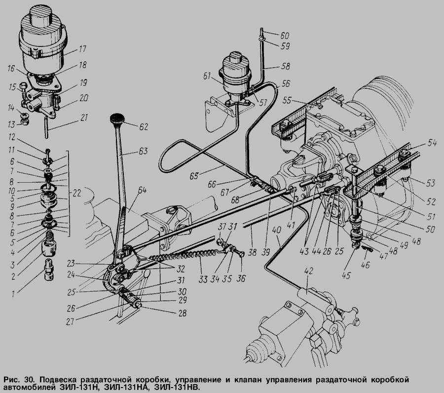
Кран гальмівний 2-секц ЗІЛ 130 (ХЗК)
|
6 915 ₴
в наявності
|
- Виробник
- Украина
- Каталожний номер
- 131-3514010-Б
- Схеми
- дивитися →
Застосування
- Товар підходить до марок/моделей авто:
- - Грузовые авто: ЗИЛ
- Товарна група:
- - Кермо, гальма Гальмівна система
Каталог запчастин для автомобілів, до яких застосовується ця деталь
