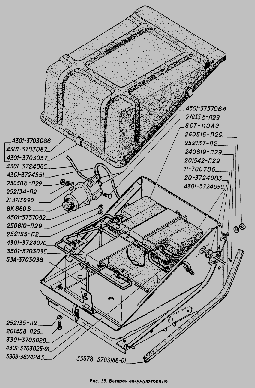
Кришка акумулятора ГАЗ 4301 (пластик.) (покуп. ГАЗ)
Товару немає в наявності.
- Виробник
- Технопласт ООО г. Н. Новгород
- Каталожний номер
- 4301-3703087
- Схеми
- дивитися →
Застосування
- Товар підходить до марок/моделей авто:
- - Грузовые авто: ГАЗ
- Товарна група:
- - Електрообладнання Електрообладнання
- - Запчастини для ТО Акумулятори
Застосовність за схемами
Каталог запчастин для автомобілів, до яких застосовується ця деталь
