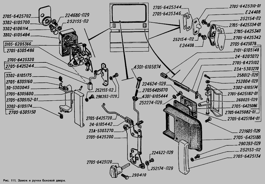
Кронштейн важеля приводу (вир-во ГАЗ)
Товару немає в наявності.
- Виробник
- ГАЗ
- Каталожний номер
- 2705-6425320
- Схеми
- дивитися →
Застосування
- Товар підходить до марок/моделей авто:
- - Грузовые авто: ГАЗ, Газель
- Товарна група:
- - Кузов Кузов та оперення
Застосовність за схемами
|
Замки та ручки бічних дверей » Кузов
|
|
|
|
Замки та ручки бічних дверей » Кузов
|
|
|
|
Замок та ручки бокових дверей » Кузов
|
|
Каталог запчастин для автомобілів, до яких застосовується ця деталь
