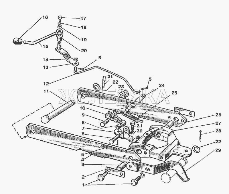
Кронштейн навішування (механізм фіксації) МТЗ (пр-во МТЗ)
Товару немає в наявності.
- Виробник
- МТЗ (Беларусь)
- Каталожний номер
- 80-4605110
- Схеми
- дивитися →
Застосування
- Товар підходить до марок/моделей авто:
- - Трактора: МТЗ
- Товарна група:
- - Гідравліка Гідронавісна система
Застосовність за схемами
|
Механізм фіксації » Коробка відбору потужності
|
|
|
|
Механізм фіксації » Пристрій сідельний
|
|
|
|
4619 Механізм фіксації » Коробка відбору потужності
|
|
Каталог запчастин для автомобілів, до яких застосовується ця деталь
