Прокладка кришки ланцюга ЗМЗ 406 ліва (вир-во ЗМЗ)
Товару немає в наявності.
- Виробник
- ПАО «ЗАВОЛЖСКИЙ МОТОРНЫЙ ЗАВОД»
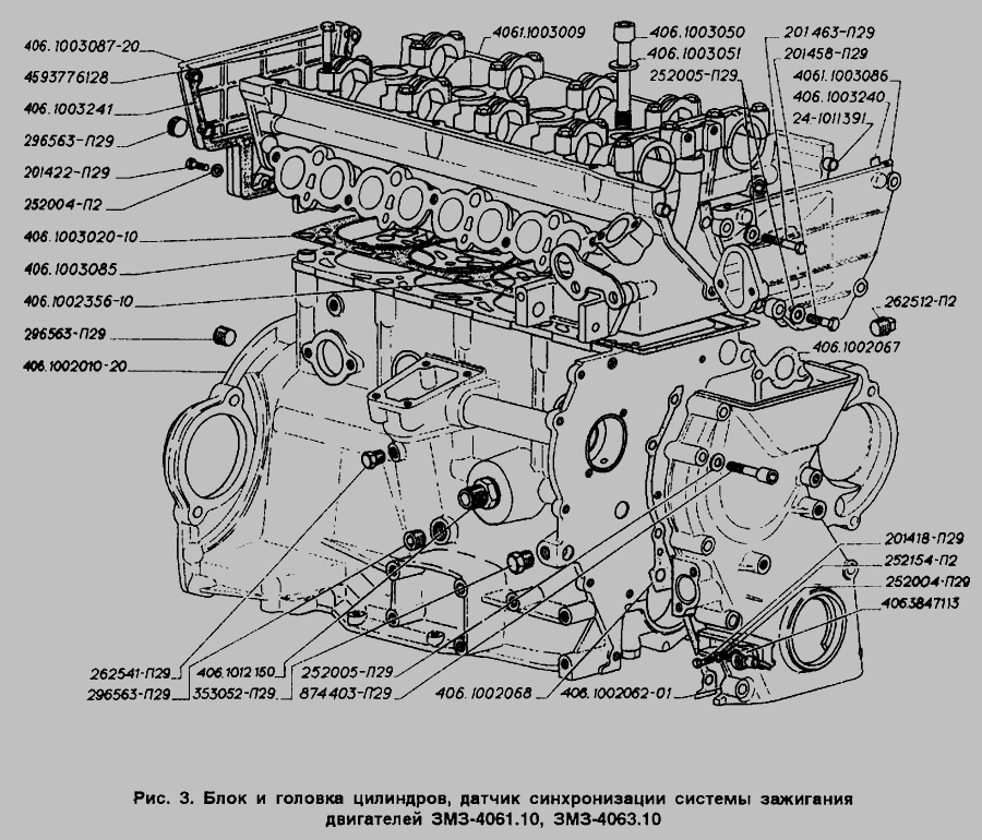
- Каталожний номер
- 406.1002067
- Схеми
- дивитися →
Застосування
- Товар підходить до марок/моделей авто:
- - Легковые авто: Волга
- Товарна група:
- - Деталі двигуна Двигун
Застосовність за схемами
Показати ще схеми ↓
Каталог запчастин для автомобілів, до яких застосовується ця деталь
