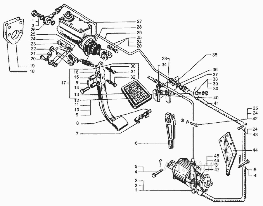
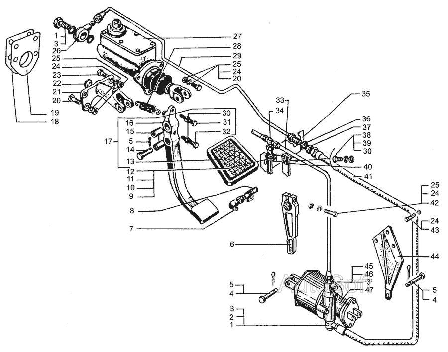
Вилка штока енергоакумулятора з пальцем М16х1,5 <ДК>
|
115 ₴
в наявності
|
- Виробник
- Дорожня карта
- Каталожний номер
- 260088
- Схеми
- дивитися →
Застосування
- Товар підходить до марок/моделей авто:
- - Грузовые авто: КамАЗ
- Товарна група:
- - Ходова частина Підвіска
- - Кермо, гальма Гальмівна система
Про виробника Дорожня карта
З 2010 року під торговою маркою «Дорожня Карта» (скорочено «ДК») розпочато виробництво запасних частин. Чітке розуміння переваг споживачів, бездоганне знання технології виробництва та багатий досвід роботи співробітників компанії у сфері автокомпонентів дозволили вивести на ринок продукт з оригінальною якістю та доступною ціною.
На сьогоднішній день ДК об'єднує близько 500 виробників в Україні, Туреччині та Китаї.
Під брендом Дорожна Карта™ випускається понад 20 000 найменувань найпопулярнішої автомобільної продукції. Велика серійність, високотехнологічне виробництво та налагоджена логістика дозволяють знижувати собівартість та робити ціни доступними для всіх учасників ринку.
Застосовність за схемами
Показати ще схеми ↓
Каталог запчастин для автомобілів, до яких застосовується ця деталь
