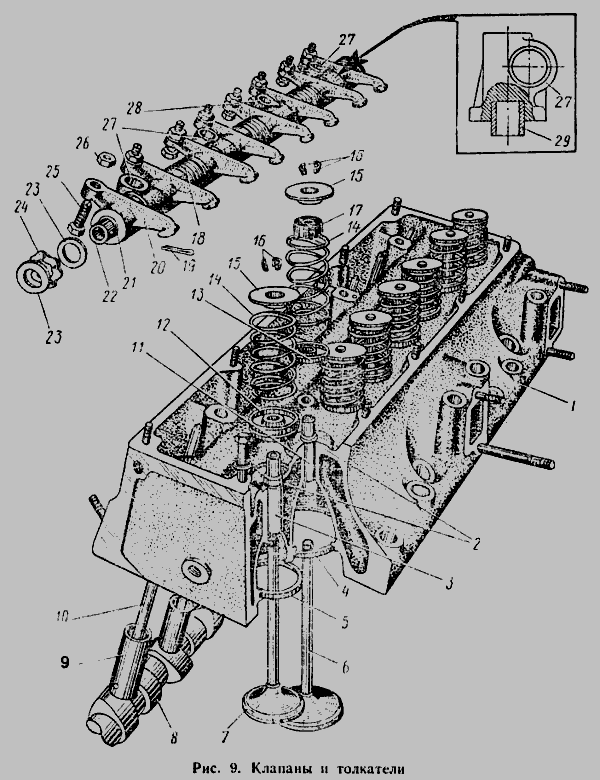
Вісь коромисел клапанів ЗІЛ 130 з коромислами та стійками в зб.
|
1 760 ₴
в наявності
|
- Виробник
- Украина
- Каталожний номер
- 130-1007098
- Схеми
- дивитися →
Застосування
- Товар підходить до марок/моделей авто:
- - Грузовые авто: ЗИЛ
- Товарна група:
- - Деталі двигуна Двигун
Застосовність за схемами
Показати ще схеми ↓
Каталог запчастин для автомобілів, до яких застосовується ця деталь
