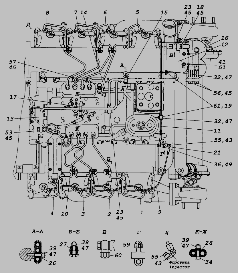
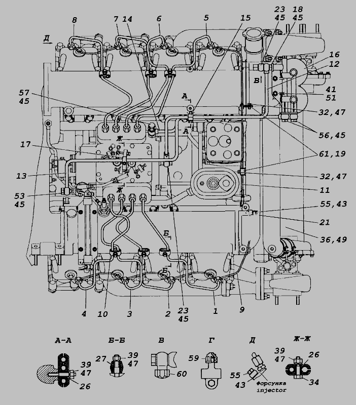
Скоба кріплення трубок високого тиску (Н. Челни)
|
90 ₴
в наявності
|
- Виробник
- КамАЗ, Набережные Челны
- Каталожний номер
- 740.1104358
- Схеми
- дивитися →
Спеціальний елемент, призначений для кріплення трубок високого тиску. Вона забезпечує надійну фіксацію трубок і запобігає їх руху або пошкодженню при високому тиску.
Застосування
- Товарна група:
- - Деталі двигуна Система живлення
Застосовність за схемами
|
740.60-1104000 Установка паливопроводів » Двигун
|
|
|
|
740.21-1104000 Установка паливопроводів » Двигун
|
|
|
|
740.21-1104000 Установка паливопроводів » Двигун
|
|
|
|
Система живлення двигуна » Двигун
|
|
|
|
Система живлення двигуна » Двигун
|
|
|
|
Система живлення двигуна » Двигун
|
|
|
|
Трубопроводи паливні (схема з'єднань) » Двигун
|
|
Показати ще схеми ↓
