Трубка клапана підвідна (пр-во КАМАЗ)
Товару немає в наявності.
- Виробник
- КамАЗ, Набережные Челны
- Каталожний номер
- 740.1011538
- Схеми
- дивитися →
Застосування
- Товар підходить до марок/моделей авто:
- - Грузовые авто: КамАЗ
Застосовність за схемами
|
Встановлення масляного насосу » Двигун
|
|
|
|
Масляний насос » Двигун
|
|
|
|
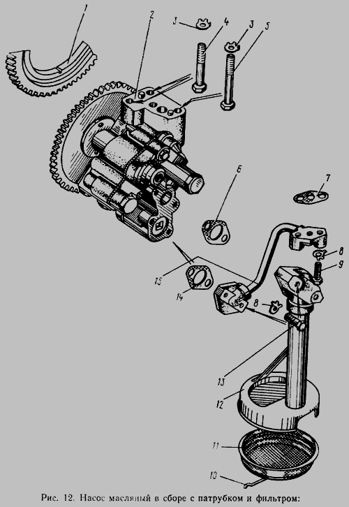
Масляний насос у зборі » Двигун
|
|
|
|
Насос масляний » Двигун
|
|
|
|
Масляний насос у зборі » Двигун
|
|
|
|
Насос масляний » Двигун
|
|
|
|
Встановлення насоса масляного » Двигун
|
|
Показати ще схеми ↓
Каталог запчастин для автомобілів, до яких застосовується ця деталь
