Блок запобіжників БП-1 (вир-во Білорусь)
Товару немає в наявності.
- Виробник
- МТЗ (Беларусь)
- Каталожний номер
- БП-1
- Вага, кг:
- 0.100
- Розміри (ДxШxВ), см:
- 120.00 x 50.00 x 30.00
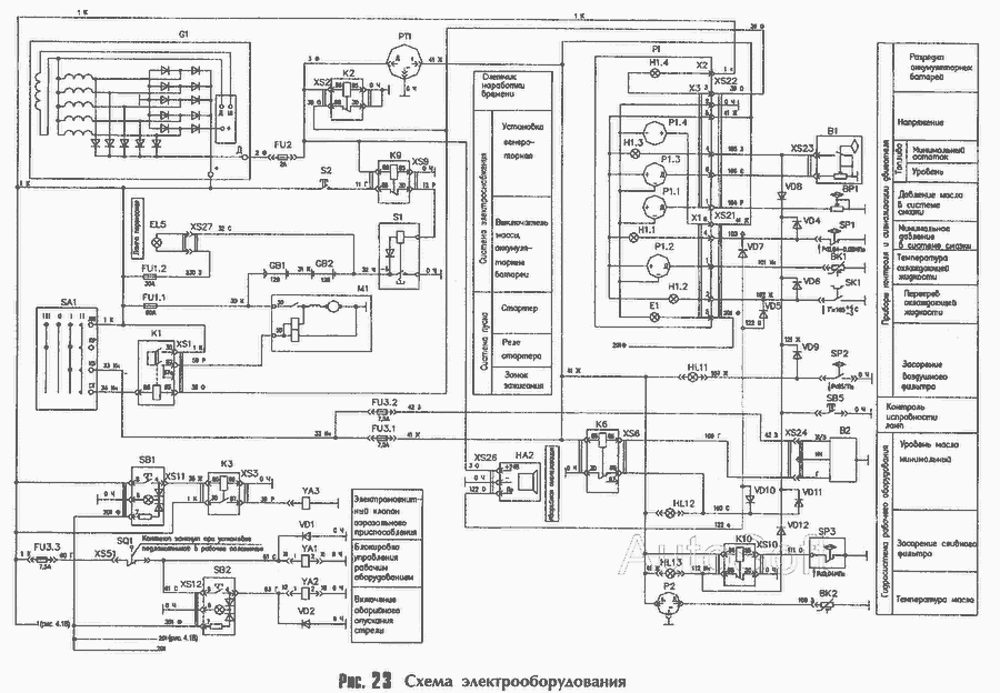
- Схеми
- дивитися →
Застосування
- Товар підходить до марок/моделей авто:
- - Трактора: МТЗ
- Товарна група:
- - Електрообладнання Електрообладнання
Застосовність за схемами
Каталог запчастин для автомобілів, до яких застосовується ця деталь
