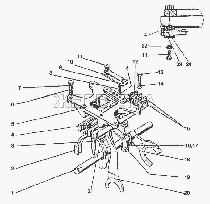
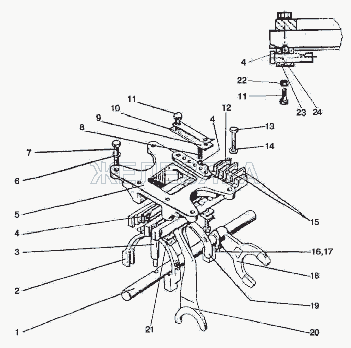
Корпус кришки (кронштейн) перемикання передач синх. КПП МТЗ-900-952 (пр-во МТЗ).
|
670 ₴
в наявності
|
- Виробник
- МТЗ (Беларусь)
- Каталожний номер
- 74-1702201
- Схеми
- дивитися →
Застосування
- Товар підходить до марок/моделей авто:
- - Трактора: МТЗ
- Товарна група:
- - Трансмісія Коробка передач
Застосовність за схемами
Каталог запчастин для автомобілів, до яких застосовується ця деталь
