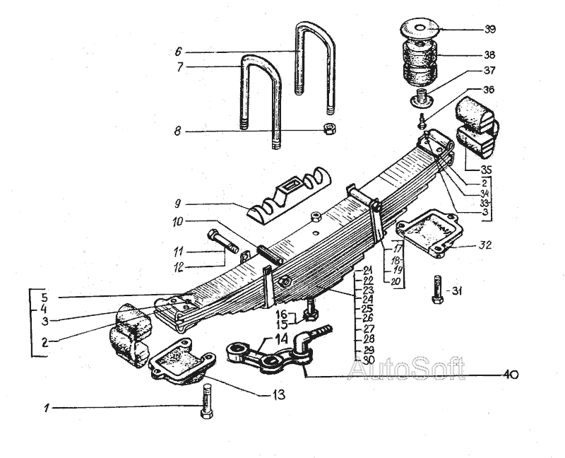
Стремянка ресори передньої КРАЗ М24х1,5 L=250 (вир-во Самбірський ДЕМЗ)
|
650 ₴
в наявності
|
- Виробник
- Самборский ДЕМЗ, г. Самбор
- Каталожний номер
- 6505-2902409
- Схеми
- дивитися →
з гайками
Застосування
- Товар підходить до марок/моделей авто:
- - Грузовые авто: КрАЗ
- Товарна група:
- - Ходова частина Підвіска
Застосовність за схемами
|
Ресора передня у зборі » Рама, бампери та бризковики двигуна
|
|
|
|
Ресора передня у зборі » Рама, бампери та бризковики двигуна
|
|
Каталог запчастин для автомобілів, до яких застосовується ця деталь
