Корпус термостата DAEWOO LANOS 1,6 алюминиевый (верхний) <ДК>
|
530 ₴
в наличии
|
- Каталожный номер
- 96130992
- Схемы
- смотреть →
Применяемость
- Товар подходит к маркам/моделям авто:
- - Легковые авто: DAEWOO
- Товарная группа:
- - Детали двигателя Система охлаждения
Применяемость по схемам
|
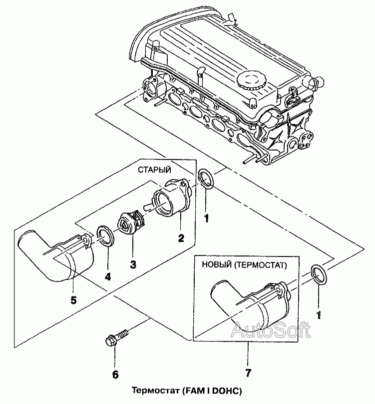
Термостат (FAM I DOHC) » Двигатель
|
|
Каталог запчастей для автомобилей к которым применяется эта деталь
