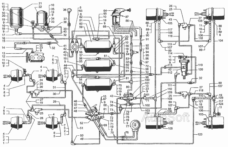
Шланг тормозной МАЗ L=660, М22 камер задних (г-г) (пр-во АвтоКрАЗ)
|
1 090 ₴
в наличии
|
- Производитель
- КрАЗ
- Каталожный номер
- 65032-3506086
- Схемы
- смотреть →
к камерам тормозным задним
Применяемость
- Товар подходит к маркам/моделям авто:
- - Грузовые авто: КрАЗ, МАЗ
- Товарная группа:
- - Руль, тормоза Тормозная система
Применяемость по схемам
Каталог запчастей для автомобилей к которым применяется эта деталь
