Штуцер маслопровода компрессора МТЗ (пр-во Украина)
|
60 ₴
склад
|
- Производитель
- Агро-Днепр
- Каталожный номер
- 240-3509232
- Схемы
- смотреть →
Применяемость
- Товар подходит к маркам/моделям авто:
- - Трактора: МТЗ
- Товарная группа:
- - Руль, тормоза Тормозная система
- - Детали двигателя Двигатель
Вместе покупают:
165 ₴
склад
- Артикул:
- 70-1303001РК
- Украина
90 ₴
склад
- Артикул:
- 50-1401063
- Сфера ЧП, Украина
70 ₴
склад
- Артикул:
- 240-3509150
- JFD
330 ₴
склад
- Артикул:
- WF8042
- WIX FILTERS
1 395 ₴
в наличии
- Артикул:
- 240-1307010-А
- Jubana, Литва
Применяемость по схемам
|
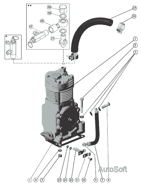
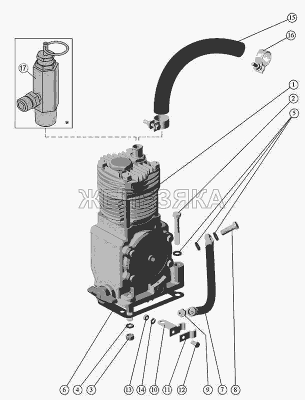
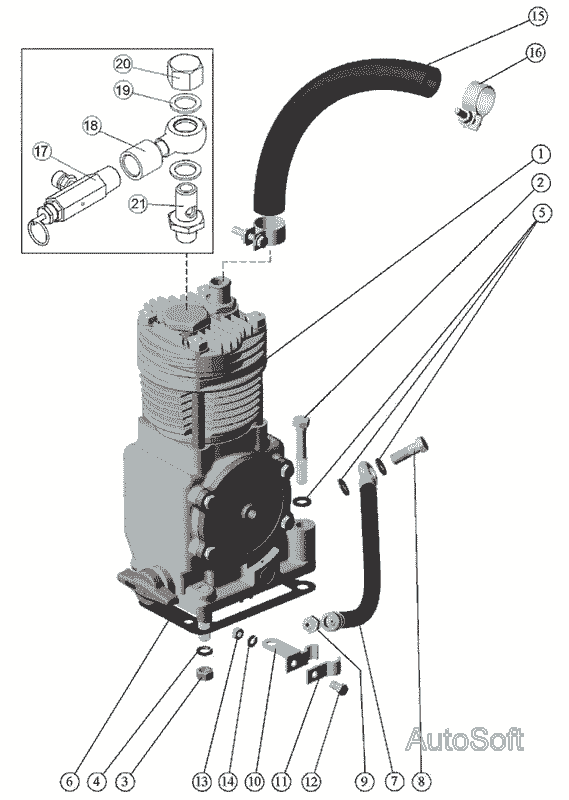
Пневмокомпрессор и его установка » Управление рулевое
|
|
|
|
Установка пневмокомпрессора » Механизмы двигателя
|
|
|
|
Установка пневмокомпрессора » Механизмы дизеля
|
|
|
|
Установка пневмокомпрессора » Двигатель
|
|
|
|
Фильтр масляный с ЖМТ » Двигатель
|
|
|
|
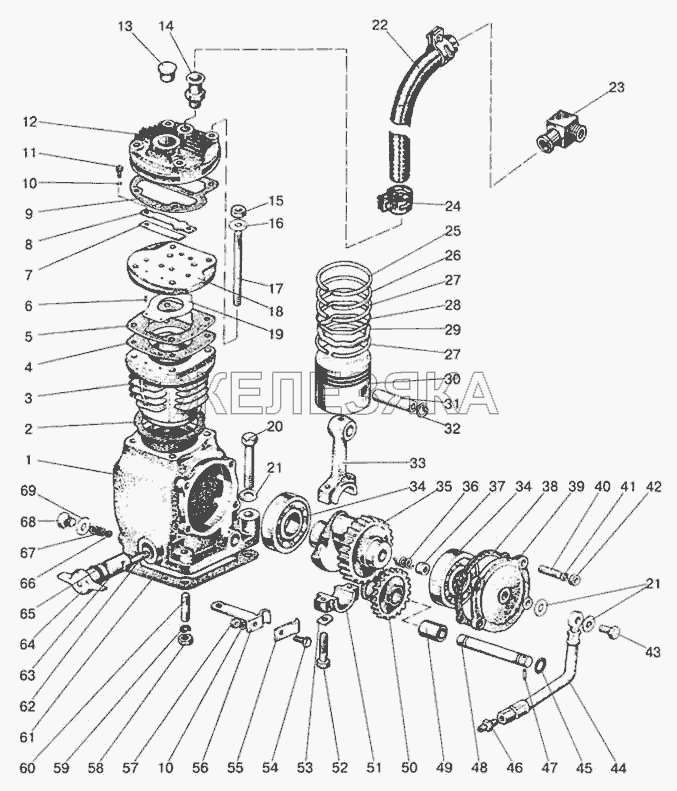
Установка компрессора » Приводы
|
|
|
|
Пневмокомпрессор и его установка » Тормоза
|
|
Показать еще схемы ↓
Каталог запчастей для автомобилей к которым применяется эта деталь
