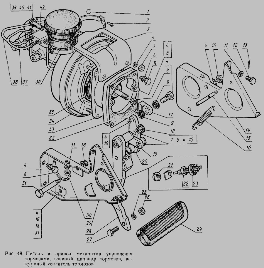
Втулка оси педали ВОЛГА,ГАЗЕЛЬ (покупн. ГАЗ)
Товара нет в наличии.
- Производитель
- СТИГМА-НН ЗАО, г.Н.Новгород
- Каталожный номер
- 13-3504023
- Схемы
- смотреть →
Автомобили "Газель" и "Соболь", "Волга"
цена за 10 шт.
Применяемость
- Товар подходит к маркам/моделям авто:
- - Грузовые авто: ГАЗ, Газель
- - Легковые авто: Волга
- Товарная группа:
- - Руль, тормоза Тормозная система
Вместе покупают:
140 ₴
в наличии
- Артикул:
- 406-1007045
- Дорожня карта
Применяемость по схемам
Показать еще схемы ↓
Каталог запчастей для автомобилей к которым применяется эта деталь
