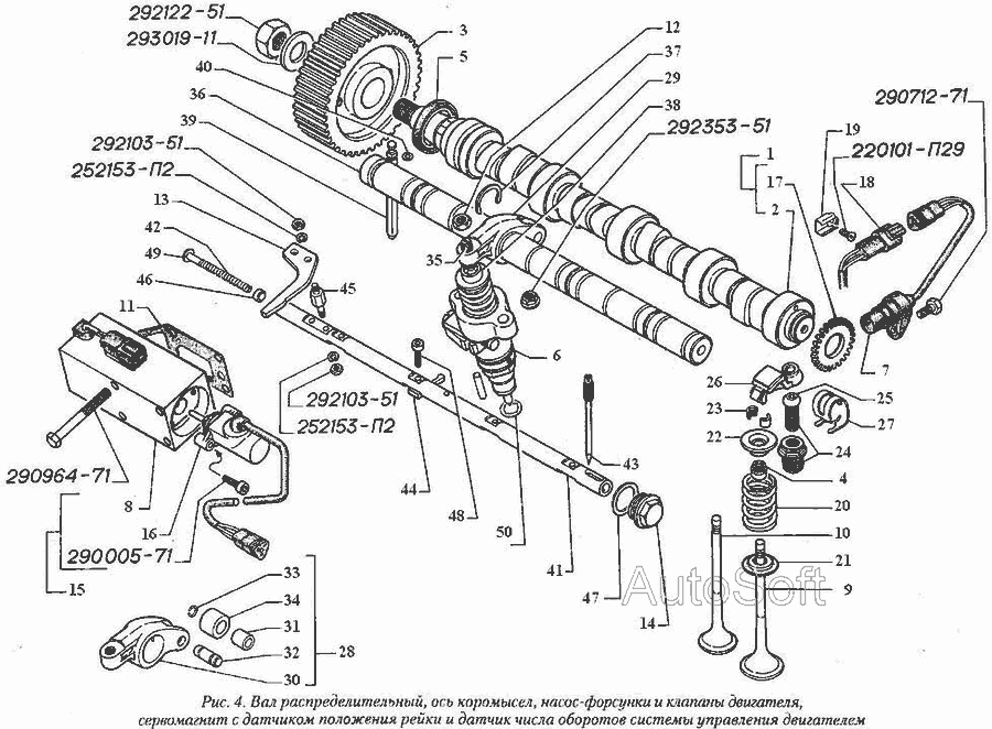
Прокладка насос-форсунки дв.560 (2174737/0) (пр-во ГАЗ)
Товара нет в наличии.
- Производитель
- ГАЗ
- Каталожный номер
- 560.1112208
- Схемы
- смотреть →
Применяемость
- Товар подходит к маркам/моделям авто:
- - Грузовые авто: ГАЗ
- Товарная группа:
- - Детали двигателя Система питания
Применяемость по схемам
Каталог запчастей для автомобилей к которым применяется эта деталь
