Подшипник 208А (6208) вал перв. КПП МТЗ, раздат. коробка ГАЗ, ВОМ Т-75 (ДК)
|
105 ₴
в наличии
|
- Производитель
- Дорожня карта
- Каталожный номер
- 208А
- Схемы
- смотреть →
Подшипник шариковый радиальный однорядный размер 40х80х18
Применяемость
- Товар подходит к маркам/моделям авто:
- - Грузовые авто: ГАЗ
- - Трактора: МТЗ
- Товарная группа:
- - Запчасти для ТО Подшипники
О производителе Дорожня карта
С 2010 года под торговой маркой «Дорожная Карта» (сокращенно «ДК») начато производство запасных частей. Четкое понимание предпочтений потребителей, безупречное знание технологии производства и богатый опыт работы сотрудников компании в сфере автокомпонентов позволили вывести на рынок продукт с оригинальной качеством и доступной ценой.
На сегодняшний день ДК™ объединяет около 500 производителей в Украине, Турции и Китае.
Под брендом Дорожная Карта™ выпускается более 20 000 наименований наиболее востребованной автомобильной продукции. Большая серийность, высокотехнологичное производство и отлаженная логистика позволяют снижать себестоимость и делать цены доступными для всех участников рынка.
Вместе покупают:
175 ₴
в наличии
- Артикул:
- 50308
- Дорожня карта
140 ₴
в наличии
- Артикул:
- 307
- Дорожня карта
425 ₴
в наличии
- Артикул:
- 7610
- Дорожня карта
195 ₴
в наличии
- Артикул:
- 212
- Дорожня карта
Применяемость по схемам
|
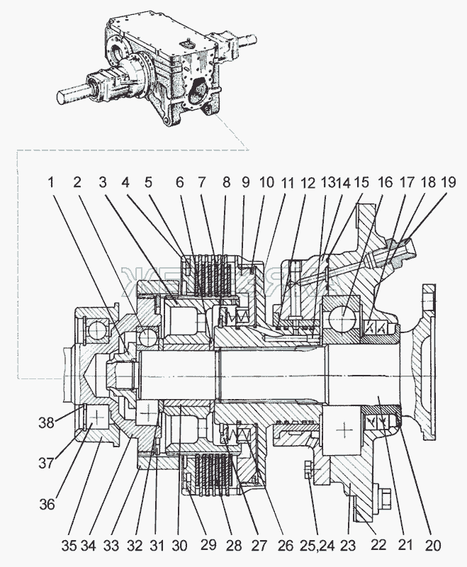
Вал привода насоса КП » Установка редуктора
|
|
|
|
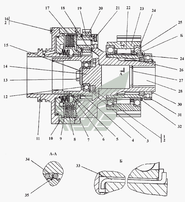
3501-96-101СП Водило » Установка лебедок
|
|
|
|
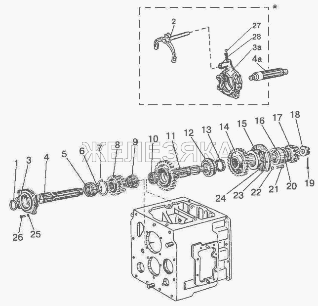
312001-90-13СП Фрикцион » Лебедка
|
|
|
|
312001-90-13СП Фрикцион » Установка лебедок
|
|
|
|
312001-90-13СП Фрикцион » Установка лебедок
|
|
|
|
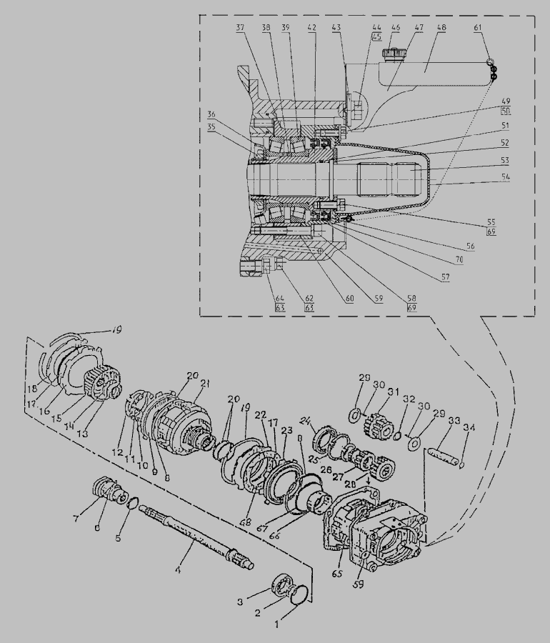
Фрикцион » Двигатель
|
|
|
|
3501-96-101СП Водило » Оборудование бульдозерное
|
|
Показать еще схемы ↓
Каталог запчастей для автомобилей к которым применяется эта деталь
