Ротор генераторов 31 и 57 серий КАМАЗ, МАЗ
|
6 730 ₴
в наличии
|
- Производитель
- Элтра г. Ржев
- Каталожный номер
- 5702.3701200
- Схемы
- смотреть →
Ротор генераторов 31 и 57 серий для автомобилей КАМАЗ, МАЗ
Применяемость
- Товар подходит к маркам/моделям авто:
- - Грузовые авто: КамАЗ, МАЗ
- Товарная группа:
- - Электрооборудование Электрооборудование
Применяемость по схемам
|
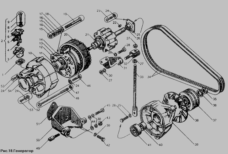
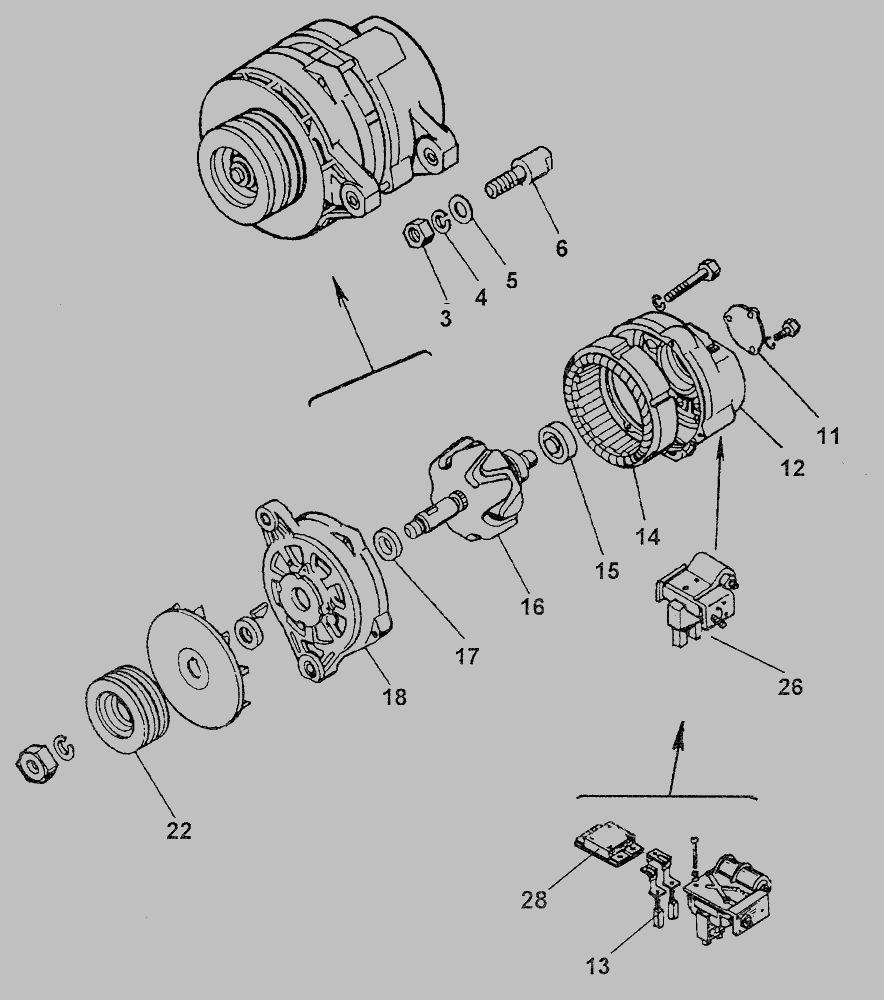
Генератор » Электрооборудование
|
|
|
|
Генератор » Электрооборудование
|
|
|
|
Генератор » Электрооборудование
|
|
|
|
Генератор » Электрооборудование
|
|
|
|
Генератор » Электрооборудование
|
|
|
|
3122.3771 Генератор с проводом » Электрооборудование
|
|
Каталог запчастей для автомобилей к которым применяется эта деталь
