Прокладка бензомера уровня топлива (пр-во БРТ)
Товара нет в наличии.
- Производитель
- Балаковорезинотехника ОАО
- Каталожный номер
- 200-3806026
- Схемы
- смотреть →
Применяемость
- Товар подходит к маркам/моделям авто:
- - Трактора: МТЗ
- Товарная группа:
- - Детали двигателя Система питания
Вместе покупают:
425 ₴
в наличии
- Артикул:
- А13.11.000-02
- МТЗ (Беларусь)
180 ₴
в наличии
- Артикул:
- 23.3829010
- Дорожня карта
Применяемость по схемам
|
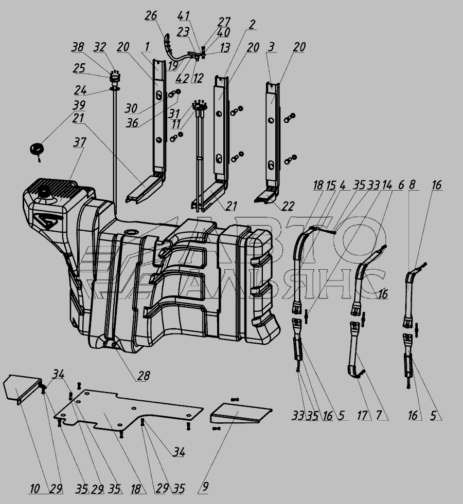
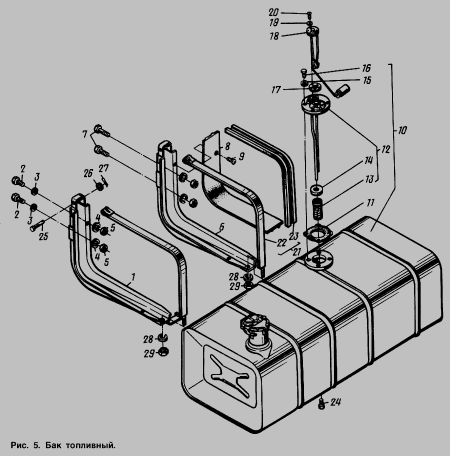
Топливный бак 6442-1101010 » Двигатель
|
|
|
|
Бак топливный УЭС0500000 » Двигатель
|
|
|
|
Установка бака топливного КИС 01233000В » Двигатель
|
|
|
|
Установка бака топливного КЗК-8А-0126000 » Установка дизеля
|
|
|
|
Установка бака топливного КЗК-12-0126600 » Рама
|
|
|
|
Установка топливного оборудования КВС-5-0103000А (лист 1) » Измельчитель самоходный КВС-5
|
|
|
|
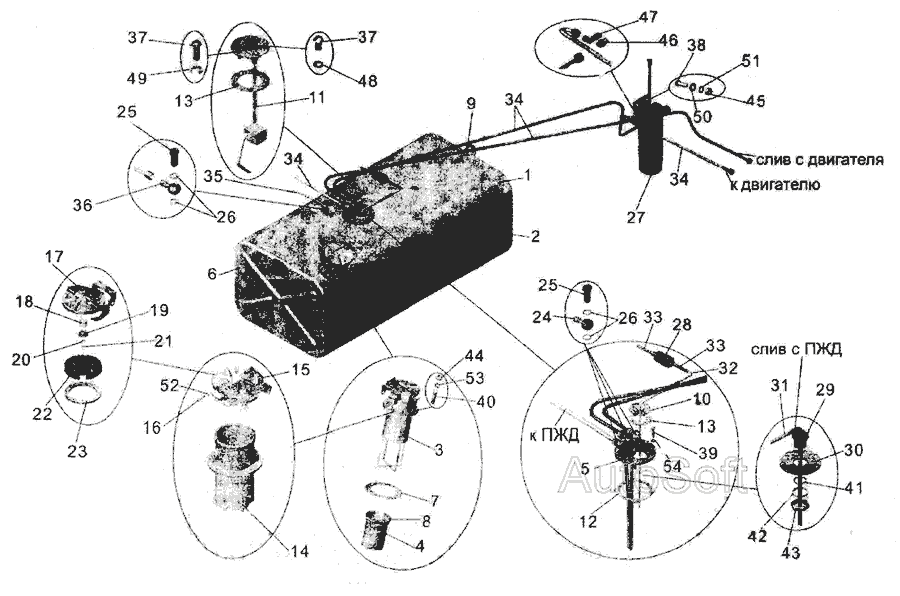
Установка топливопроводов » Двигатель
|
|
Показать еще схемы ↓
Каталог запчастей для автомобилей к которым применяется эта деталь
