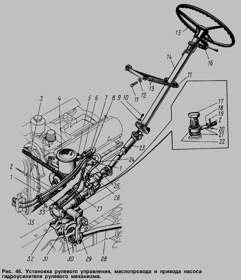
Насос ГУР на ЗиЛ-130 в сборе (СТМ S.I.L.A.)
|
4 665 ₴
в наличии
|
- Производитель
- S.I.L.A.
- Каталожный номер
- 130-3407200-А
- Схемы
- смотреть →
Применяемость
- Товар подходит к маркам/моделям авто:
- - Грузовые авто: ЗИЛ
- Товарная группа:
- - Руль, тормоза Рулевое управление
Вместе покупают:
65 ₴
в наличии
- Артикул:
- 309827-П
- Альбион-Авто
-
Украина
440 ₴
в наличии
- Артикул:
- 130В-3506085
- DETALKA
-
Украина
490 ₴
в наличии
- Артикул:
- 131-3506060
- АВТО-СОЮЗ 88
110 ₴
в наличии
- Артикул:
- 130-1107027
- АВТО-СОЮЗ 88
Применяемость по схемам
Каталог запчастей для автомобилей к которым применяется эта деталь
