Поперечина подвески двигателя (траверса,ласточка) Газель Бизнес дв.Cummins ISF 2.8 (пр-во ГАЗ)
Товара нет в наличии.
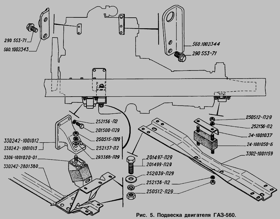
- Каталожный номер
- 330242-2801380
- Схемы
- смотреть →
Применяемость
- Товар подходит к маркам/моделям авто:
- - Грузовые авто: ГАЗ, Газель
- Товарная группа:
- - Ходовая часть Подвеска
- - Ходовая часть Ось передняя, рама
Применяемость по схемам
|
Рама, бамперы и брызговики двигателя » Рама, бамперы и брызговики двигателя
|
|
|
|
2752-1001001. Установка подушек подвески двигателя » Двигатель
|
|
|
|
2752-1001001. Установка подушек подвески двигателя » Двигатель
|
|
|
|
2752-1001001. Установка подушек подвески двигателя » Двигатель
|
|
|
|
2752-1001001. Установка подушек подвески двигателя » Двигатель
|
|
|
|
Подвеска двигателя ГАЗ-560 » Двигатель
|
|
|
|
Подвеска двигателя » Двигатель
|
|
Каталог запчастей для автомобилей к которым применяется эта деталь