Втулка кулака разжимного КАМАЗ (ДК)
|
65 ₴
в наличии
|
- Производитель
- Дорожня карта
- Каталожный номер
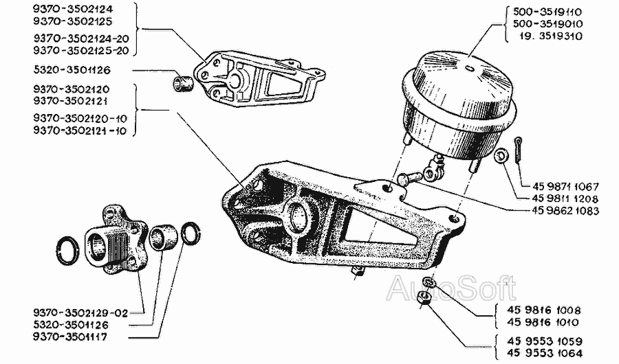
- 5320-3501126
- Схемы
- смотреть →
Втулка кулака разжимного с втулкой из материала РОМ (модифицированный полиформальдегид) с добавлением бронзового порошка.
Применяется вместо традиционной втулки, продлевает срок службы, сокращает частоту смазки и упрощает порядок замены.
Срок службы примерно в 5 раз выше обычных втулок при своевременной смазке.
С 2010 года под торговой маркой «Дорожная Карта» (сокращенно «ДК») начато производство запасных частей. Четкое понимание предпочтений потребителей, безупречное знание технологии производства и богатый опыт работы сотрудников компании в сфере автокомпонентов позволили вывести на рынок продукт с оригинальной качеством и доступной ценой.
На сегодняшний день ДК™ объединяет около 500 производителей в Украине, Турции и Китае.
Под брендом Дорожная Карта™ выпускается более 20 000 наименований наиболее востребованной автомобильной продукции. Большая серийность, высокотехнологичное производство и отлаженная логистика позволяют снижать себестоимость и делать цены доступными для всех участников рынка.
- Артикул:
- 3741-1301010-01А
- Дорожня карта
- Артикул:
- 3151-3510010
- Дорожня карта
- Артикул:
- 469-3501090
- DETALKA
-
Украина
- Артикул:
- 53А-3003057
- Дорожня карта
- Артикул:
- 53А-3003056
- Дорожня карта
- Артикул:
- 5511-2919030-РМК
- S.I.L.A.
- Артикул:
- RD.3307-3000100
- RIDER
|
Балка задней оси » Рама
|
|
|
|
Кронштейн с тормозной камерой, опора разжимного кулака » Тормоза
|
|
|
|
Тормоза рабочие передней оси » Тормоза
|
|
|
|
Кронштейн тормозной камеры и разжимного кулака тормоза левый в сборе » Управление рулевое
|
|
|
|
6520-3501121 Кронштейн тормозной камеры и разжимного кулака » Управление рулевое
|
|
|
|
Тормоза рабочие передние » Управление рулевое
|
|
|
|
Кронштейн тормозной камеры и разжимного кулака » Управление рулевое
|
|
