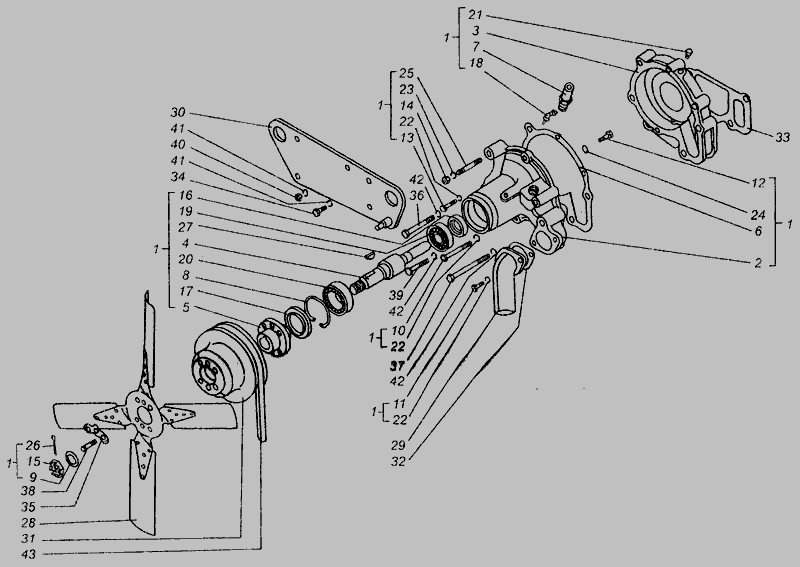
Насос водяной СМД-18-22 без шкива
|
2 690 ₴
в наличии
|
- Производитель
- S.I.L.A.
- Каталожный номер
- 18Н-13с2
- Схемы
- смотреть →
Вместе покупают:
35 ₴
склад
- Артикул:
- 70У-1301169
- Бико, Украина
535 ₴
в наличии
- Артикул:
- 6А1-20с2-70.02
- Алтайский завод прецизионных изделий (АЗПИ)
Применяемость по схемам
|
Водяной насос СМД-17,-17Н.01,-17Н.02,-17Н.03,-17Н.04,-18,-18Н.01,-18Н.02,-18Н.03,-18Н.04 » Двигатель
|
|
|
|
Насос водяной » Двигатель
|
|
|
|
Насос водяной дизеля СМД-18Н » Двигатель
|
|
