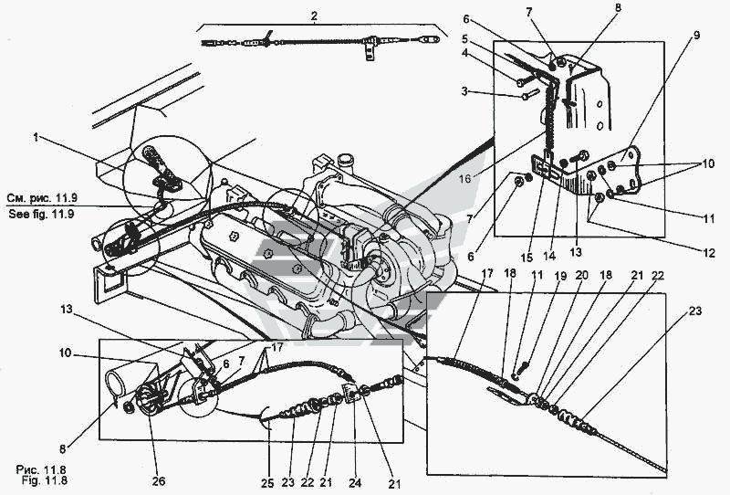
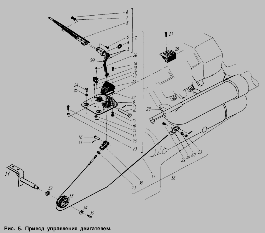
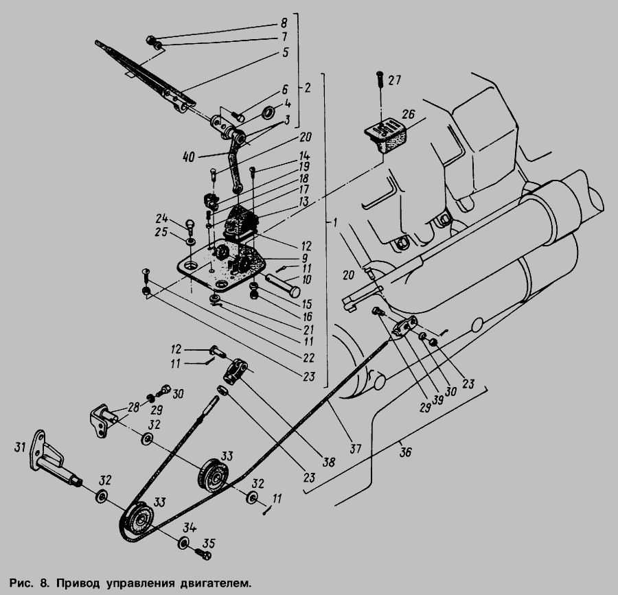
Педаль газа МАЗ с кронштейном <ДК>
Товара нет в наличии.
- Производитель
- Дорожня карта
- Каталожный номер
- 64221-1108005-10
- Схемы
- смотреть →
Применяемость
- Товар подходит к маркам/моделям авто:
- - Грузовые авто: МАЗ
- Товарная группа:
- - Детали двигателя Система питания
О производителе Дорожня карта
С 2010 года под торговой маркой «Дорожная Карта» (сокращенно «ДК») начато производство запасных частей. Четкое понимание предпочтений потребителей, безупречное знание технологии производства и богатый опыт работы сотрудников компании в сфере автокомпонентов позволили вывести на рынок продукт с оригинальной качеством и доступной ценой.
На сегодняшний день ДК™ объединяет около 500 производителей в Украине, Турции и Китае.
Под брендом Дорожная Карта™ выпускается более 20 000 наименований наиболее востребованной автомобильной продукции. Большая серийность, высокотехнологичное производство и отлаженная логистика позволяют снижать себестоимость и делать цены доступными для всех участников рынка.
Применяемость по схемам
Показать еще схемы ↓
Каталог запчастей для автомобилей к которым применяется эта деталь
