Провода зажигания DAEWOO LANOS (СИЛИКОН D провода=7 мм., V=1.4 и 1.6 л., 8 клап.) ПРЕМИУМ
|
2 735 ₴
в наличии
|
- Каталожный номер
- 96497773
- Схемы
- смотреть →
Применяемость
- Товар подходит к маркам/моделям авто:
- - Легковые авто: DAEWOO
- Товарная группа:
- - Электрооборудование Электрооборудование
Применяемость по схемам
|
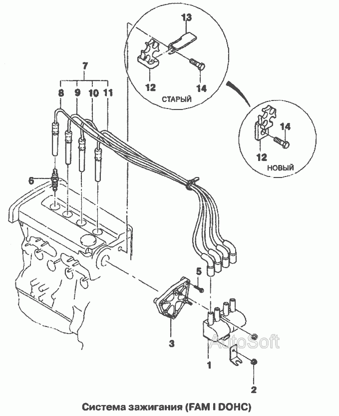
Система зажигания (FAM I DOHC) » Электрооборудование с двигателем FAM I
|
|
Каталог запчастей для автомобилей к которым применяется эта деталь
