Патрубок радиатора ЗИЛ 130, 4331, 5301 БЫЧОК, УРАЛ насоса водяного (СИЛИКОН красный, D=30 мм, L=220 мм) (DETALKA)
|
375 ₴
в наличии
|
- Производитель
-
DETALKA
(Украина)
- Каталожный номер
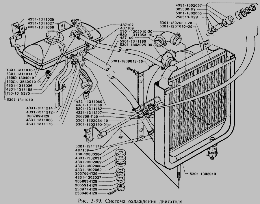
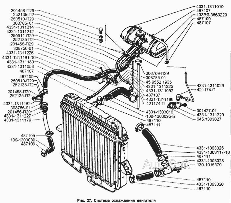
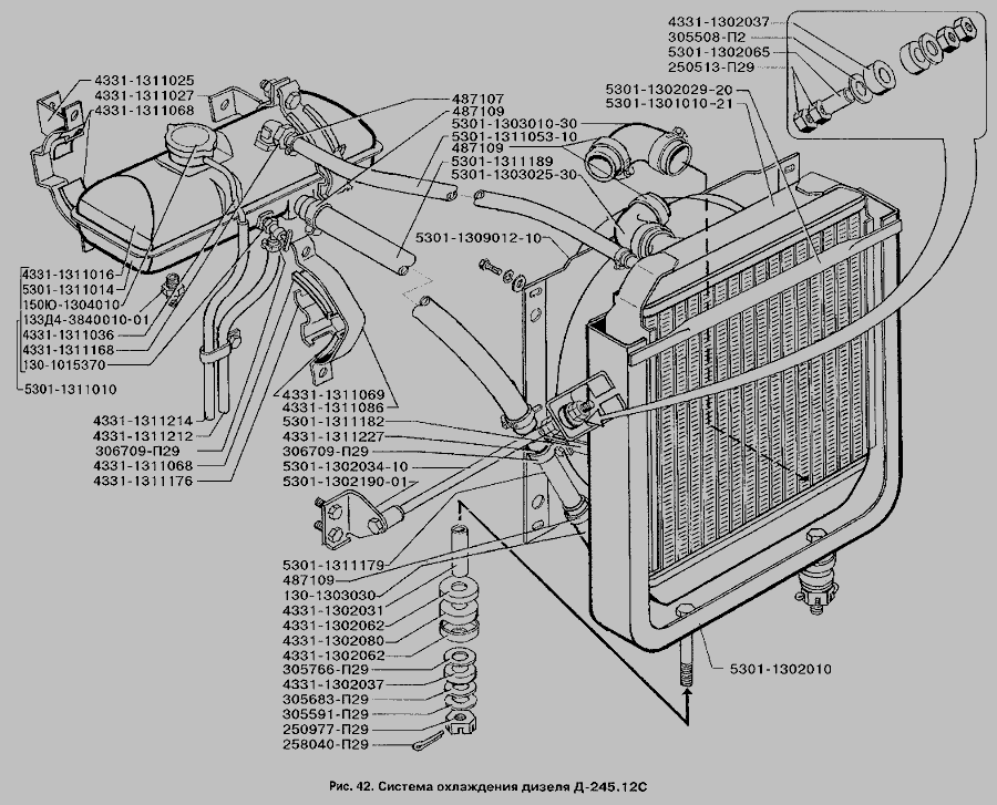
- 130-1303030
- Схемы
- смотреть →
L 220 мм = 100х120мм – длины двух сторон от краев до центра изгиба.
D=30 мм – внутренний диаметр.
Вместе покупают:
1 215 ₴
в наличии
- Артикул:
- 130-1601130
- Дорожня карта
15 ₴
в наличии
- Артикул:
- 111-1005166/67
- Альбион-Авто
-
Украина
7 785 ₴
в наличии
- Артикул:
- 5301-1301010
- Tempest
455 ₴
в наличии
- Артикул:
- DK-1334-01
- Дорожня карта
185 ₴
в наличии
- Артикул:
- 8,5х8х1250
- Rubena (Чехия)
545 ₴
в наличии
- Артикул:
- 130-1000101
- DETALKA
-
Украина
110 ₴
склад
- Артикул:
- 130-1307048
- АВТО-СОЮЗ 88
Аналоги "130-1303030 DETALKA":
425 ₴
в наличии
- Артикул:
- 130-1303030
- DETALKA
-
Украина
Применяемость по схемам
Показать еще схемы ↓
