Шпилька коллектора ГАЗ, УАЗ дв. 402 впускного (М10х1,0х80, центральная)
|
85 ₴
в наличии
|
- Производитель
- АВТО-СОЮЗ 88
- Каталожный номер
- 291815-П29
- Схемы
- смотреть →
Применяемость
- Товар подходит к маркам/моделям авто:
- - Грузовые авто: ГАЗ
- - Легковые авто: УАЗ
- Товарная группа:
- - Детали двигателя Система выпуска газа
Вместе покупают:
75 ₴
в наличии
- Артикул:
- 291792-П29
- АВТО-СОЮЗ 88
Применяемость по схемам
|
Газопровод впускной и выпускной » Двигатель
|
|
|
|
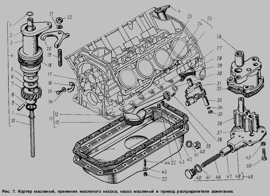
Картер масляный, приемник масляного насоса, насос масляный и привод распределителя зажигания » Двигатель
|
|
Каталог запчастей для автомобилей к которым применяется эта деталь
