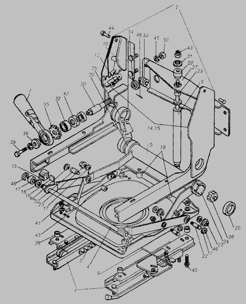
Механизм перемещения сиденья левый (пр-ва КАМАЗ)
Товара нет в наличии.
- Производитель
- КамАЗ, Набережные Челны
- Каталожный номер
- 5320-6804111
- Схемы
- смотреть →
Применяемость
- Товар подходит к маркам/моделям авто:
- - Грузовые авто: КамАЗ
- Товарная группа:
- - Кузов Сиденья
Применяемость по схемам
|
Механизм подрессоривания сиденья водителя » Кабина
|
|
|
|
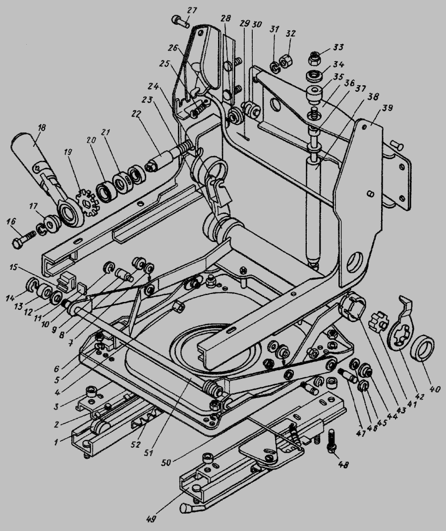
5320-6804010 Механизм подрессоривания сиденья водителя » Кабина
|
|
|
|
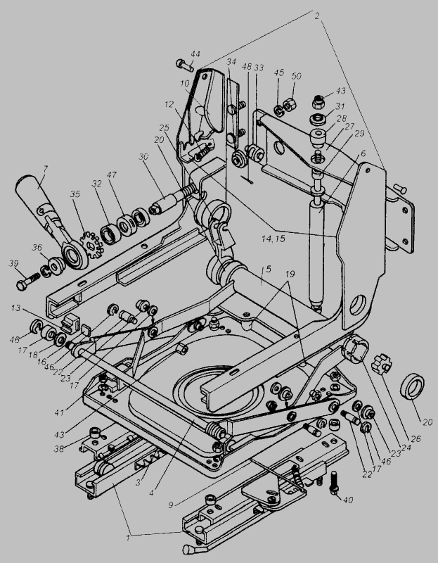
Механизм регулирования положения сиденья водителя » Кузов
|
|
|
|
Сидение водителя » Кузов
|
|
|
|
Механизм подрессоривания » Кузов
|
|
|
|
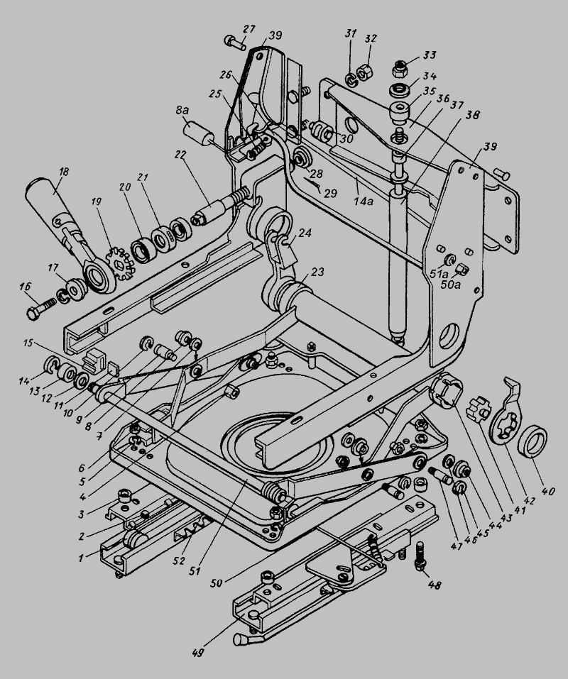
Механизм подрессоривания сиденья водителя » Кузов
|
|
|
|
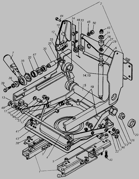
Механизм подрессоривания сиденья водителя » Кузов
|
|
Показать еще схемы ↓
Каталог запчастей для автомобилей к которым применяется эта деталь
