Ролик каретки отъездной двери (подшипник) ГАЗель, ГАЗ 2217 Соболь
Товара нет в наличии.
- Производитель
- Украина
- Каталожный номер
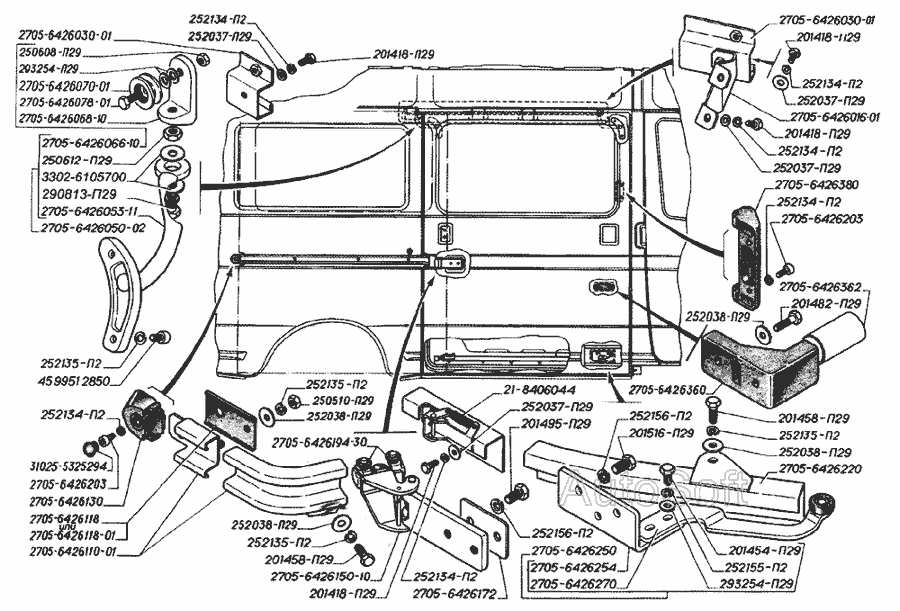
- 2705-6426194-30
- Схемы
- смотреть →
Применяемость
- Товар подходит к маркам/моделям авто:
- - Грузовые авто: ГАЗ, Газель
- Товарная группа:
- - Кузов Кузов и оперение
- - Запчасти для ТО Подшипники
Применяемость по схемам
|
Навеска боковой двери » Кузов
|
|
|
|
Навеска боковой двери » Кузов
|
|
Каталог запчастей для автомобилей к которым применяется эта деталь
