Клапан защитный одинарный КАМАЗ, МАЗ, ЗИЛ, УРАЛ, КРАЗ, ГАЗ 4301 (Полтава 16.3515010)
|
245 ₴
в наличии
|
- Производитель
- Автокомпонент Плюс
- Каталожный номер
- 100.3515010
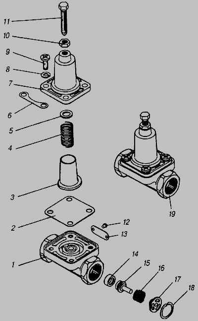
- Схемы
- смотреть →
Вместе покупают:
250 ₴
в наличии
- Артикул:
- 100.3515010-01
- Дорожня карта
Применяемость по схемам
Показать еще схемы ↓
