Вилка выключения сцепления ГАЗ 3302,2410, ГАЗЕЛЬ <ДК>
Применяемость
- Товар подходит к маркам/моделям авто:
- - Грузовые авто: ГАЗ
- - Легковые авто: Волга
- Товарная группа:
- - Трансмиссия Сцепление
О производителе Дорожня карта
С 2010 года под торговой маркой «Дорожная Карта» (сокращенно «ДК») начато производство запасных частей. Четкое понимание предпочтений потребителей, безупречное знание технологии производства и богатый опыт работы сотрудников компании в сфере автокомпонентов позволили вывести на рынок продукт с оригинальной качеством и доступной ценой.
На сегодняшний день ДК™ объединяет около 500 производителей в Украине, Турции и Китае.
Под брендом Дорожная Карта™ выпускается более 20 000 наименований наиболее востребованной автомобильной продукции. Большая серийность, высокотехнологичное производство и отлаженная логистика позволяют снижать себестоимость и делать цены доступными для всех участников рынка.
Вместе покупают:
220 ₴
в наличии
- Артикул:
- 11-7576
- АВТО-СОЮЗ 88
210 ₴
в наличии
- Артикул:
- 11-7576
- Дорожня карта
Применяемость по схемам
|
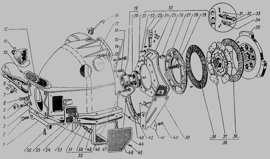
Сцепление (1 ч.) » Сцепление
|
|
|
|
Сцепление » Сцепление
|
|
|
|
Сцепление » Сцепление
|
|
|
|
Сцепление » Сцепление
|
|
|
|
Сцепление » Сцепление
|
|
Каталог запчастей для автомобилей к которым применяется эта деталь
