Накладка колодки центрального тормоза (пр-во Трибо)
|
90 ₴
в наличии
|
- Производитель
- ТРИБО
- Каталожный номер
- 51-3507020-Б
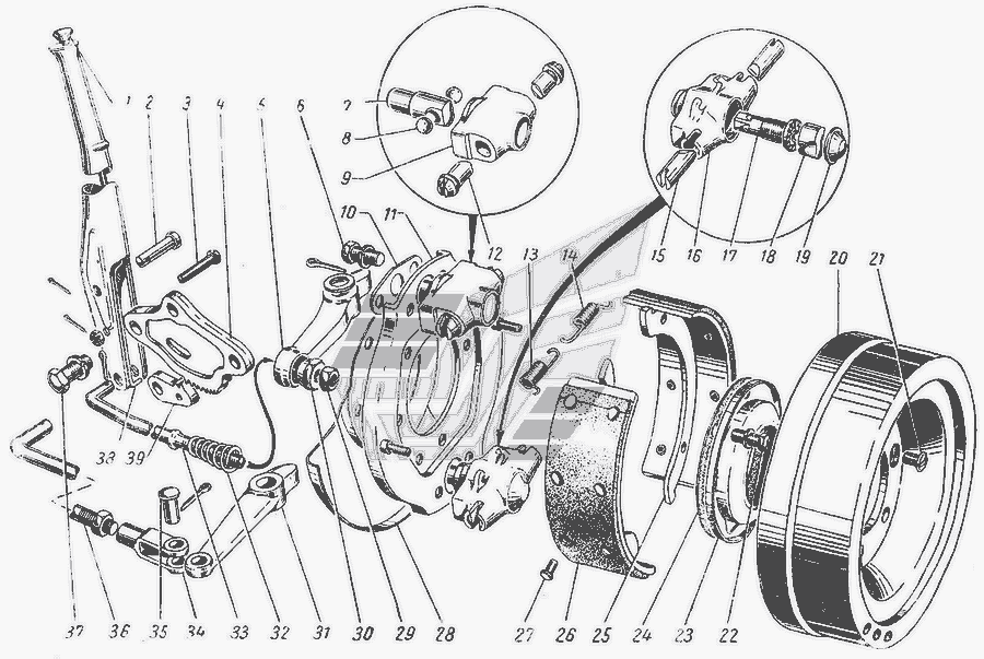
- Схемы
- смотреть →
Применяемость
- Товар подходит к маркам/моделям авто:
- - Грузовые авто: ГАЗ
- Товарная группа:
- - Руль, тормоза Тормозная система
Применяемость по схемам
Показать еще схемы ↓
Каталог запчастей для автомобилей к которым применяется эта деталь
