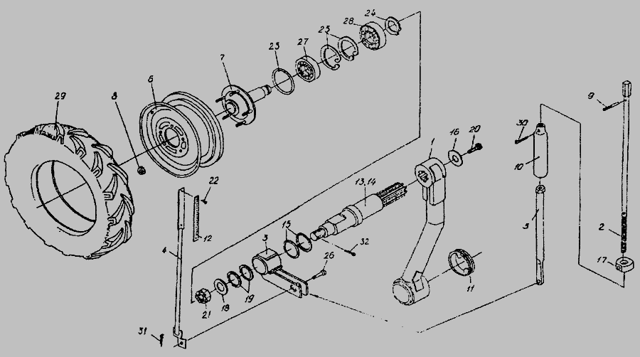
Гайка передней ступицы МТЗ (пр-во S.I.L.A)
|
20 ₴
в наличии
|
- Производитель
- S.I.L.A.
- Каталожный номер
- 40-3103017
- Схемы
- смотреть →
Применяемость по схемам
Показать еще схемы ↓
