Кран разобщительный МТЗ, ЛТЗ, ТТЗ, ЮМЗ, С/х машины КС-100 (пр-во Пневматика)
|
540 ₴
в наличии
|
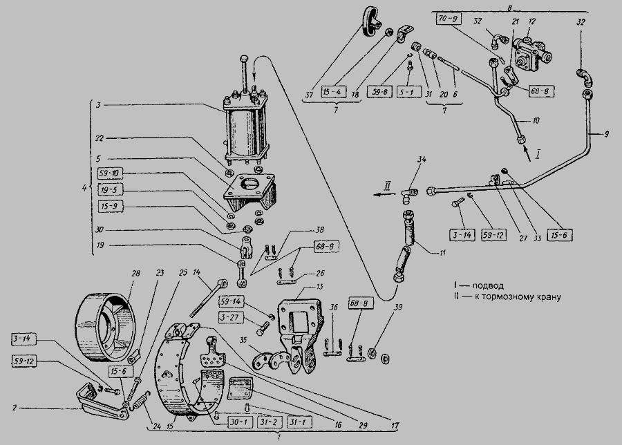
- Каталожный номер
- А29.71.000
- Схемы
- смотреть →
Применяемость
- Товар подходит к маркам/моделям авто:
- - Трактора: МТЗ, ЮМЗ
- Товарная группа:
- - Руль, тормоза Тормозная система
Применяемость по схемам
Каталог запчастей для автомобилей к которым применяется эта деталь
