Манжета 42х64 (ЯМЗ крышки заднего подшипника) (сальник)
Применяемость
- Товар подходит к маркам/моделям авто:
- - Грузовые авто: МАЗ
- Товарная группа:
- - Двигатели ЯМЗ запчасти
- - Трансмиссия Коробка передач
Вместе покупают:
205 ₴
в наличии
- Артикул:
- 864176
- DETALKA
-
Украина
290 ₴
в наличии
- Артикул:
- 4320-3104033
- DETALKA
-
Украина
Применяемость по схемам
|
Картер коробки передач » Сцепление
|
|
|
|
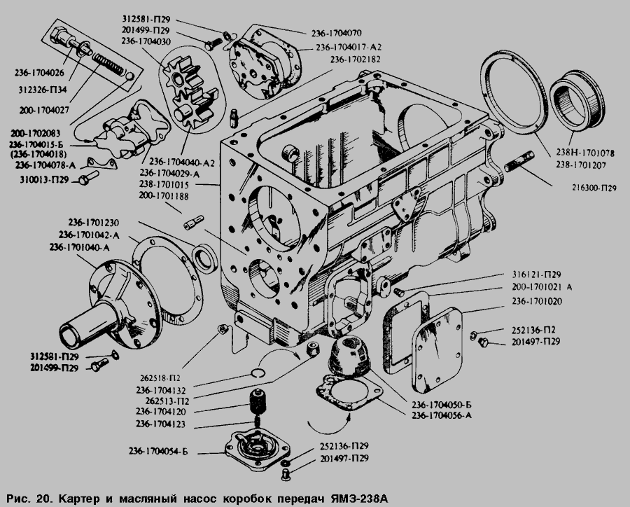
Картер и масляный насос коробок передач ЯМЗ238А, ЯМЗ-238Б » Сцепление
|
|
|
|
Картер коробок передач ЯМЗ-238ВМ5, ЯМЗ-238ВМ7, ЯМЗ-238ВК7 » Сцепление
|
|
|
|
Картер коробок передач ЯМЗ-236П3, ЯМЗ-236П4, ЯМЗ-236Л1, ЯМз-236У3 » Сцепление
|
|
|
|
Картер и масляный насос коробок передач ЯМЗ-236Н и ЯМЗ-236П » Сцепление
|
|
|
|
Вал механизма заднего отбора мощности двигателей ЯМЗ-236ДК-2, ЯМЗ-236ДК-5, ЯМЗ-238АК-4 » Коробка отбора мощности
|
|
|
|
Картер и масляный насос коробки передач » Сцепление
|
|
Показать еще схемы ↓
Каталог запчастей для автомобилей к которым применяется эта деталь
