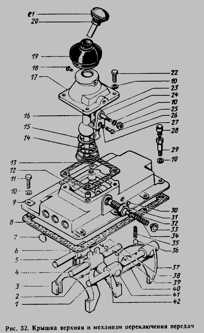
Вилка переключения 2, 3-й передачи ЗИЛ
|
225 ₴
в наличии
|
- Производитель
- Украина
- Каталожный номер
- 130-1702028
- Схемы
- смотреть →
Применяемость
- Товар подходит к маркам/моделям авто:
- - Грузовые авто: ЗИЛ
- Товарная группа:
- - Трансмиссия Коробка передач
Применяемость по схемам
|
Крышка верхняя и механизм переключения передач » Сцепление
|
|
Каталог запчастей для автомобилей к которым применяется эта деталь
