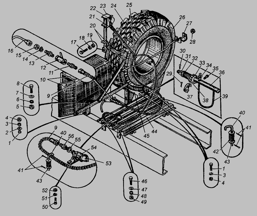
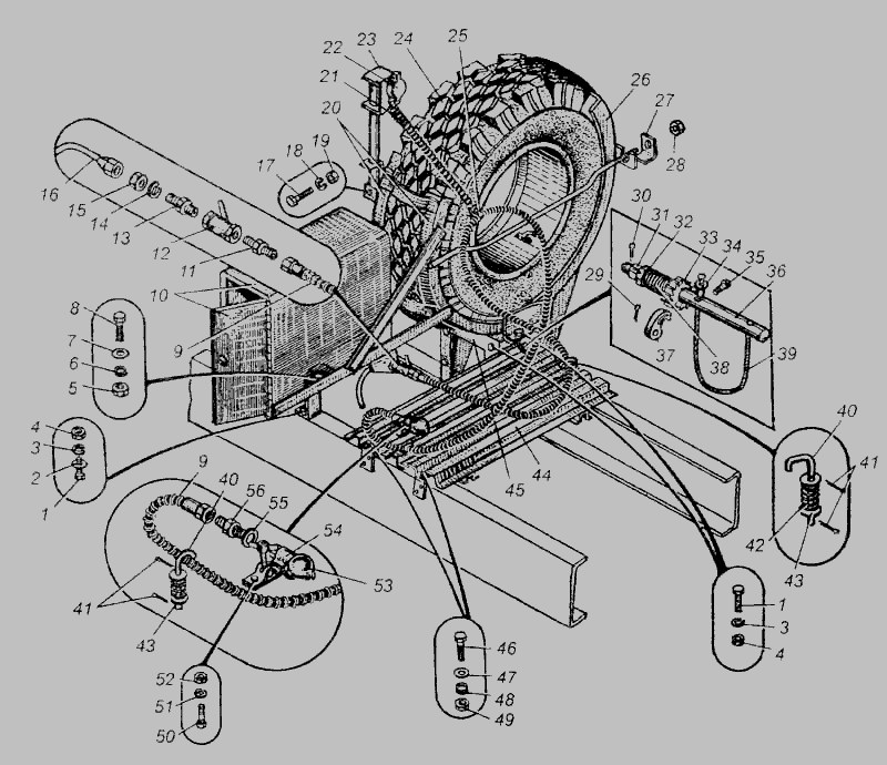
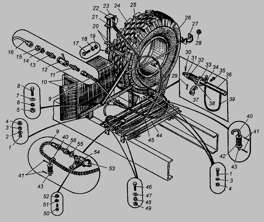
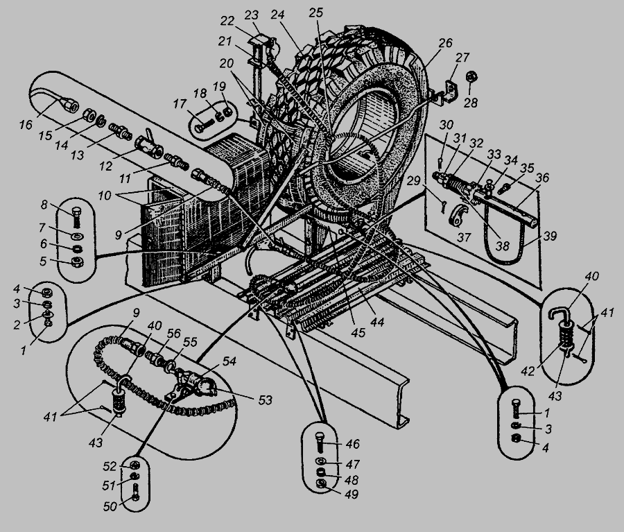
Кран разобщительный КРАЗ (пр-во ПААЗ)
Товара нет в наличии.
- Производитель
- Полтавский Автоагрегатный Завод
- Каталожный номер
- 12.3520010
- Схемы
- смотреть →
Применяемость
- Товар подходит к маркам/моделям авто:
- - Грузовые авто: КрАЗ
- Товарная группа:
- - Руль, тормоза Тормозная система
Вместе покупают:
Применяемость по схемам
Показать еще схемы ↓
Каталог запчастей для автомобилей к которым применяется эта деталь
