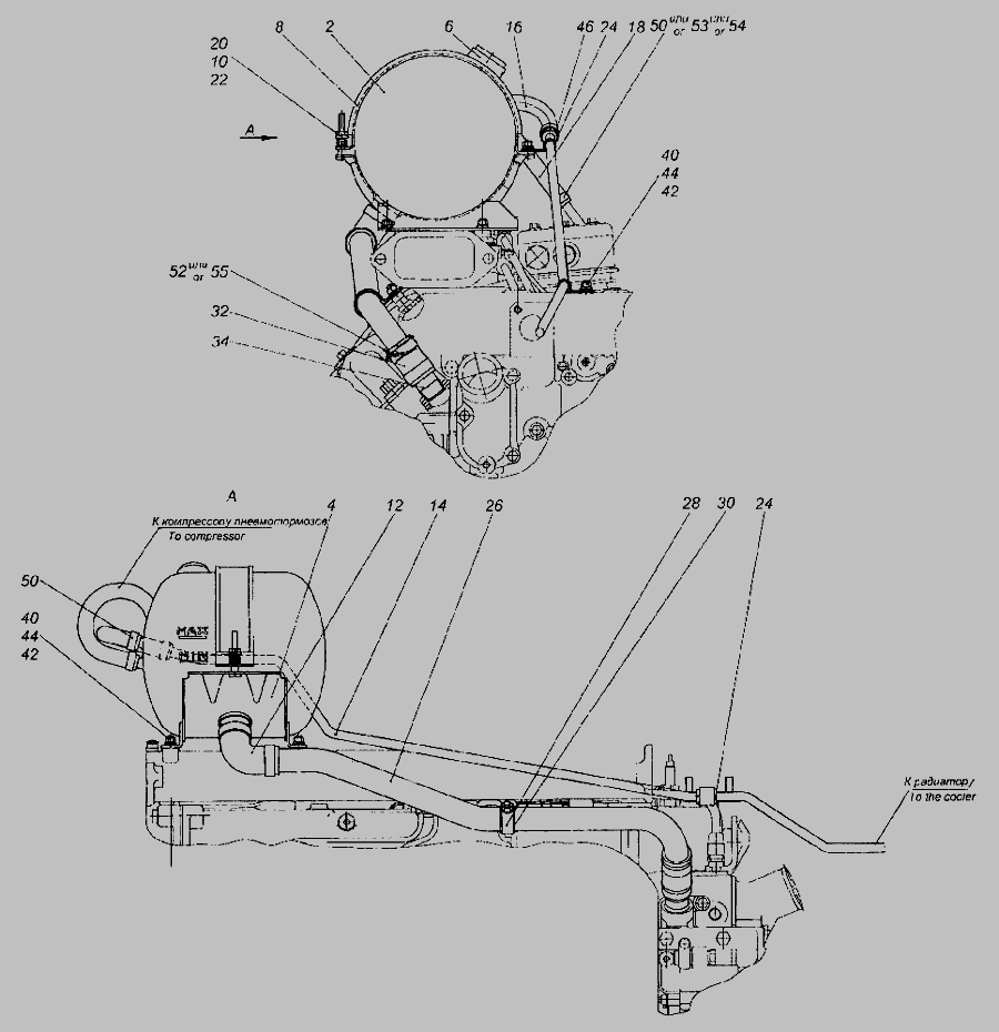
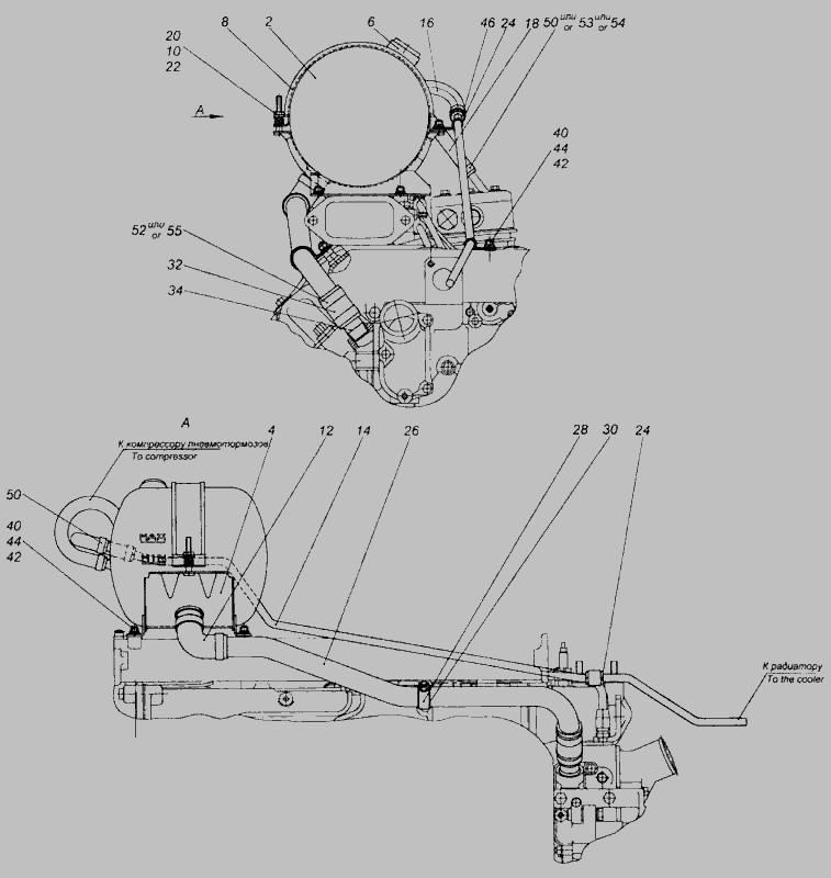
Скоба бачка расширительного КАМАЗ
|
40 ₴
в наличии
|
- Производитель
- НПО КамАгрегат-Сервис (Набережные Челны)
- Каталожный номер
- 5320-1311086-30
- Схемы
- смотреть →
Применяемость
- Товар подходит к маркам/моделям авто:
- - Грузовые авто: КамАЗ
- Товарная группа:
- - Детали двигателя Система охлаждения
Применяемость по схемам
|
Установка расширительного бачка » Двигатель
|
|
|
|
Установка расширительного бачка » Двигатель
|
|
|
|
6520-1311005 Установка расширительного бачка » Двигатель
|
|
|
|
Установка расширительного бачка » Двигатель
|
|
|
|
Установка расширительного бачка » Двигатель
|
|
|
|
Установка расширительного бачка » Двигатель
|
|
|
|
Установка расширительного бачка » Двигатель
|
|
Показать еще схемы ↓
Каталог запчастей для автомобилей к которым применяется эта деталь
