Муфта подшипника выжимного Москвич 2141 в сб. (ДК)
|
260 ₴
в наличии
|
- Производитель
- Дорожня карта
- Каталожный номер
- 2141-1601180
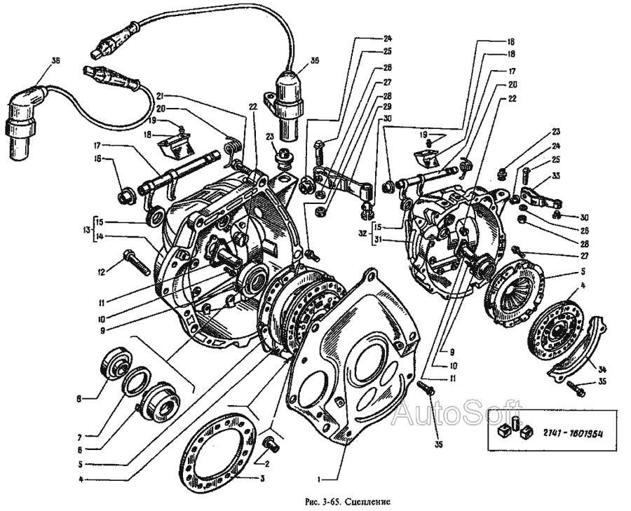
- Схемы
- смотреть →
Применяемость
- Товарная группа:
- - Трансмиссия Сцепление
О производителе Дорожня карта
С 2010 года под торговой маркой «Дорожная Карта» (сокращенно «ДК») начато производство запасных частей. Четкое понимание предпочтений потребителей, безупречное знание технологии производства и богатый опыт работы сотрудников компании в сфере автокомпонентов позволили вывести на рынок продукт с оригинальной качеством и доступной ценой.
На сегодняшний день ДК™ объединяет около 500 производителей в Украине, Турции и Китае.
Под брендом Дорожная Карта™ выпускается более 20 000 наименований наиболее востребованной автомобильной продукции. Большая серийность, высокотехнологичное производство и отлаженная логистика позволяют снижать себестоимость и делать цены доступными для всех участников рынка.
Вместе покупают:
150 ₴
в наличии
- Артикул:
- LF101
- Finwhale, Германия
45 ₴
в наличии
- Артикул:
- DK.1400
- Дорожня карта
2 175 ₴
в наличии
- Артикул:
- 2141-1601000
- RIDER
Применяемость по схемам
|
Сцепление » Сцепление
|
|
|
|
Сцепление » Сцепление
|
|
