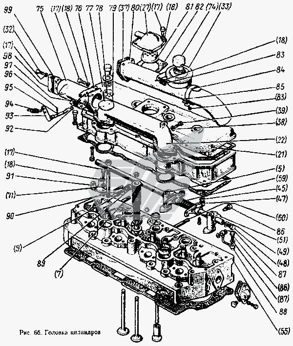
Патрубок переходной Д-240, 243 коллектора впускного (пр-во ММЗ)
Товара нет в наличии.
- Производитель
- Минский Моторный Завод (Беларусь)
- Каталожный номер
- 240-1003222-В-01
- Схемы
- смотреть →
Применяемость
- Товар подходит к маркам/моделям авто:
- - Трактора: МТЗ
- Товарная группа:
- - Детали двигателя Двигатель
Применяемость по схемам
|
Головка цилиндров » Двигатель
|
|
|
|
Головка цилиндров. Клапаны и толкатели клапанов » Двигатель
|
|
Каталог запчастей для автомобилей к которым применяется эта деталь
