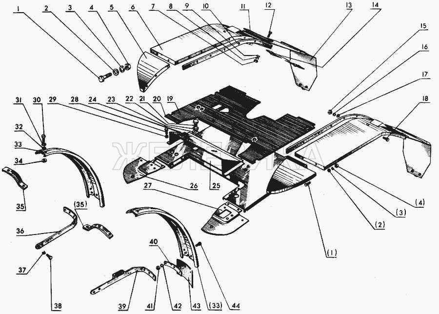
Крыло переднее МТЗ-80 голое (узкое) малая кабина (пр-во JUBANA)
|
805 ₴
в наличии
|
- Производитель
- Jubana, Литва
- Каталожный номер
- 70-8403012
- Схемы
- смотреть →
Применяемость
- Товар подходит к маркам/моделям авто:
- - Трактора: МТЗ
- Товарная группа:
- - Кузов Кузов и оперение
- - Кузов Кабина
Применяемость по схемам
|
Крылья задние. Крылья передние » Кабина
|
|
Каталог запчастей для автомобилей к которым применяется эта деталь
