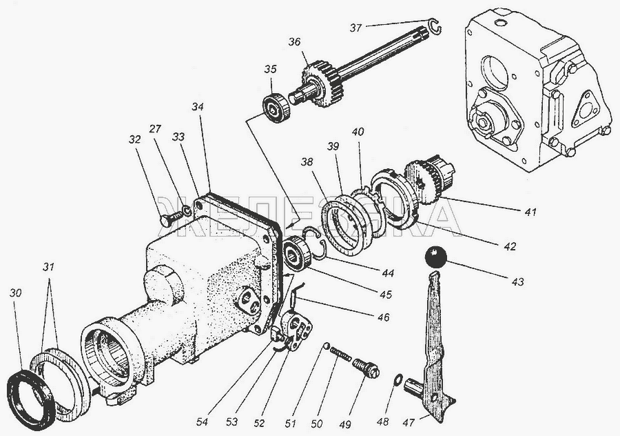
Манжета 2,2-65х90 резиновая армированная (пр-во Бико)
|
50 ₴
в наличии
|
- Производитель
- Бико, Украина
- Каталожный номер
- 2,2-65X90
- Схемы
- смотреть →
Применяемость
- Товарная группа:
- - Запчасти для ТО Манжеты
Применяемость по схемам
|
Редуктор коническо-цилиндрический КИЛ 0104000. Корпус и крышки » Муфта фрикционная
|
|
|
|
Шарнирная рама 082-2816 » Рама
|
|
