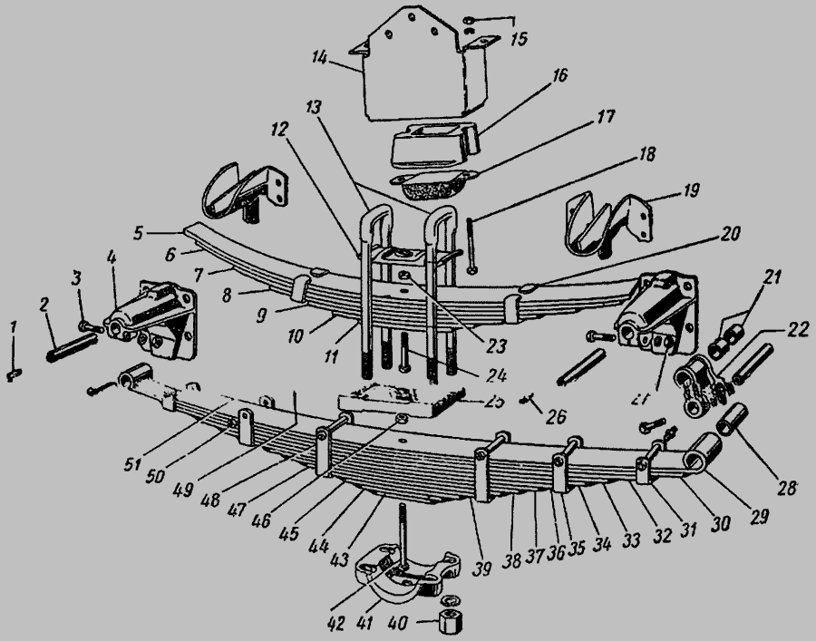
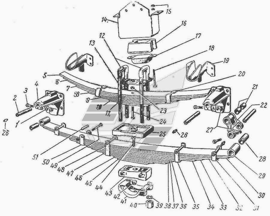
Буфер (отбойник) рессоры задней ГАЗ 53, 3307,3308,3309 (покупн. ГАЗ)
Товара нет в наличии.
- Производитель
- Резинотехника г. Саранск
- Каталожный номер
- 51-2912622
- Схемы
- смотреть →
Автомобили "Газель" и "Соболь"
Применяемость
- Товар подходит к маркам/моделям авто:
- - Грузовые авто: ГАЗ, Газель
- Товарная группа:
- - Ходовая часть Подвеска
Применяемость по схемам
Показать еще схемы ↓
Каталог запчастей для автомобилей к которым применяется эта деталь
