Крышка топливного бака Т150, ЮМЗ, Т-16, Т-40
Товара нет в наличии.
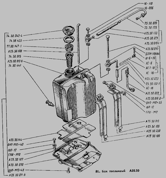
- Каталожный номер
- 74.50.042-4
- Схемы
- смотреть →
Применяемость
- Товар подходит к маркам/моделям авто:
- - Трактора: Т-40, Т150 и Т150К, ЮМЗ
- Товарная группа:
- - Детали двигателя Система питания
Вместе покупают:
90 ₴
склад
- Артикул:
- РД-009
- ТОВ АПК ПростоФільтри
-
Украина
Применяемость по схемам
|
Бак топливный » Кабина
|
|
|
|
Бак топливный » Двигатель
|
|
|
|
Колесо заднее 25Ф.34.001 » Рама
|
|
|
|
Бак топливный » Двигатель
|
|
Каталог запчастей для автомобилей к которым применяется эта деталь
