Рейка ТНВД ЯМЗ
|
345 ₴
в наличии
|
- Производитель
- МАЗ, ОАО «Минский автомобильный завод» (Беларусь)
- Каталожный номер
- 236.1111040
- Схемы
- смотреть →
Применяемость
- Товар подходит к маркам/моделям авто:
- - Грузовые авто: МАЗ
- Товарная группа:
- - Двигатели ЯМЗ запчасти
- - Детали двигателя Система питания
Применяемость по схемам
|
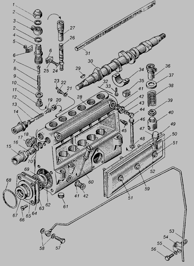
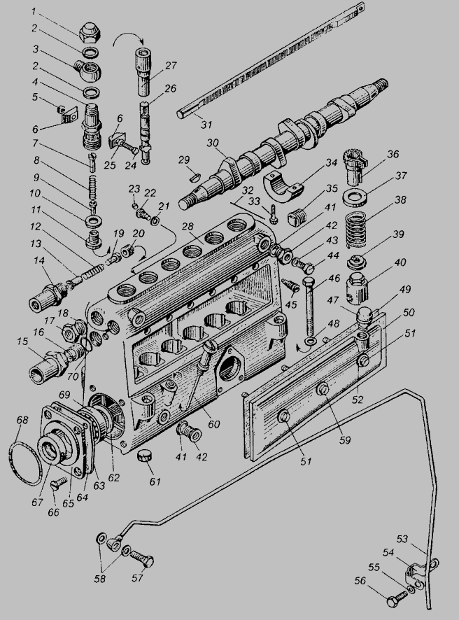
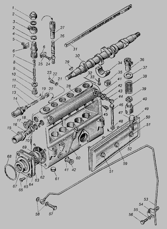
Топливный насос высокого давления двигателей ЯМЗ-236НЕ, ЯМЗ-236БЕ » Двигатель
|
|
|
|
Топливный насос высокого давления ЯМЗ-236М2 » Двигатель
|
|
|
|
Топливный насос высокого давления двигателя ЯМЗ-236ДК » Двигатель
|
|
|
|
Топливный насос высокого давления » Насос топливоподкачивающий модель 60
|
|
|
|
Топливный насос высокого давления двигателя ЯМЗ-236НЕ и ЯМЗ-236А » Двигатель
|
|
|
|
Насос топливный высокого давления » Двигатель
|
|
|
|
Насос топливный высокого давления » Двигатель
|
|
Показать еще схемы ↓
Каталог запчастей для автомобилей к которым применяется эта деталь
