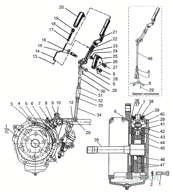
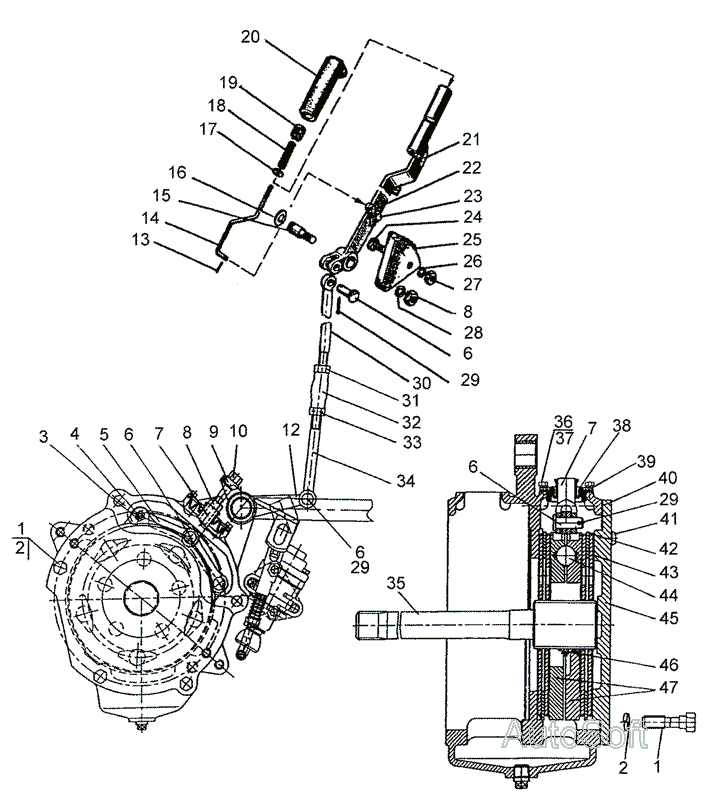
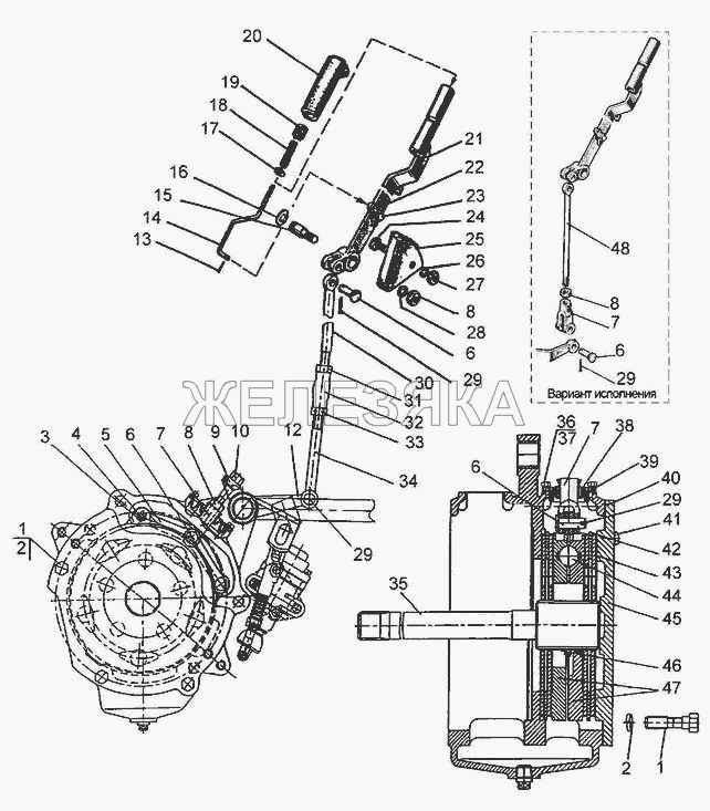
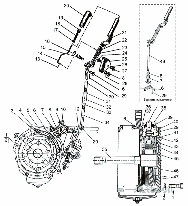
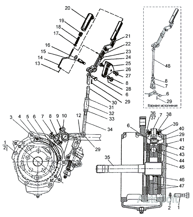
Вал гальма стоянки МТЗ-920, 922, 1025, 1221 (пр-во S.I.L.A. AC)

2 050 
 в наличии
Производитель
S.I.L.A.
Каталожный номер
1221М-3504055
Схемы
смотреть →
  • Доставка по Украине
    -  на отделение Новой Почты или курьером до двери
    - самовывоз в г. Харьков
    подробнее →
  • Оплата при получении
    или другим удобным способом, подробнее →
  • Гарантия
    обмен/возврат товара в течение 14 дней, подробнее →

Применяемость по схемам
Тормоз стояночно-запасной. Управление стояночно-запасным тормозом (для «мокрых» тормозов) » Управление рулевое
  • МТЗ-1221
Тормоз стояночно-запасной, управление стояночно-запасным тормозом (для «мокрых» тормозов) » Рулевое управление
  • МТЗ-1025.4
Управление СЗТ для тормозов рабочих «мокрого» типа (СЗТ справа) » Рулевое управление
  • МТЗ-1021.3
Тормоз стояночно-запасной. Управление стояночно-запасным тормозом (для «мокрых» тормозов) » Рулевое управление
  • МТЗ-920.4/952.4
Тормоз стояночный, управление стояночным тормозом (для «мокрых» тормозов) » Рулевое управление
  • МТЗ-900/920/950/952
Тормоз стояночно-запасной, управление стояночно-запасным тормозом (для «мокрых» тормозов) » Рулевое управление
  • МТЗ-570
Тормоз стояночно-запасной, управление стояночно-запасным тормозом (для «мокрых» тормозов) » Рулевое управление
  • МТЗ-826