Втулка наконечника рычага переключения передач КАМАЗ ЕВРО фторопласт (пр-во S.I.L.A. AC)
|
755 ₴
в наличии
|
- Производитель
- S.I.L.A.
- Каталожный номер
- 161.1703221
- Схемы
- смотреть →
Вместе покупают:
460 ₴
в наличии
- Артикул:
- 362-1703420
- S.I.L.A.
Применяемость по схемам
|
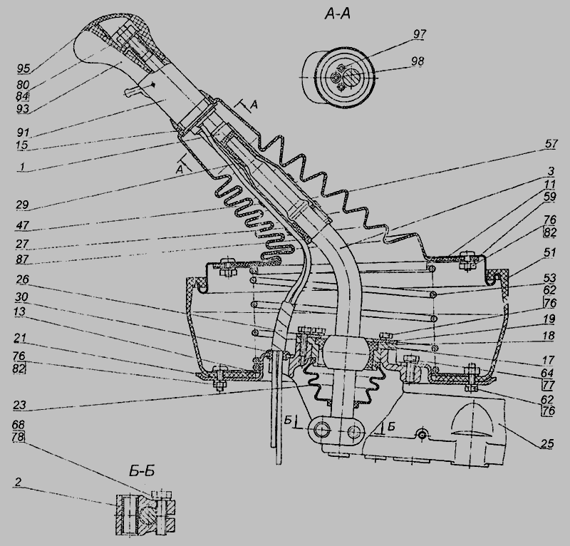
154.1703204 Опора рычага переключения передач с рычагом и краном управления » Сцепление
|
|
|
|
142.1703204 Опора рычага переключения передач » Сцепление
|
|
|
|
Опора рычага переключения » Сцепление
|
|
|
|
Опора рычага переключения передач » Сцепление
|
|
|
|
161.1703204 Опора рычага переключения передач » Сцепление
|
|
|
|
Опора рычага переключения передач в сборе » Сцепление
|
|
|
|
Опора рычага переключения передач с рычагом и краном управления » Сцепление
|
|
Показать еще схемы ↓
